Lowell 112 Ratcheting Crank Wrench with 5/8" Hexagonal Gear Opening
Lowell 112 Ratcheting Crank Wrench with 5/8" Hexagonal Gear Opening
SKU:RAT-17f481
Efficiently adjust machinery with the Lowell 112 Ratcheting Crank Wrench. Fixed steel handle, 5/8" hexagonal gear opening, and reversible control for safe operations. Made in the USA.
Regular price
$29.99
Regular price
Sale price
$29.99
Unit price
per
Delivery via Maden
Expect your order to arrive on time.
Secure Payments
All orders are processed through a secure, PCI-compliant checkout.



The Lowell 112 Ratcheting Crank Wrench offers unparalleled efficiency in machinery adjustment. Featuring a fixed, durable steel handle and a precision 5/8" hexagonal gear opening, this wrench ensures secure nut fastening on any threaded length. With a reversible action control built into the head, it allows for safe and convenient operation. Made in the USA, this wrench is designed for versatility and longevity, making it a reliable choice for various adjustment tasks.
Product Specifications
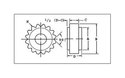
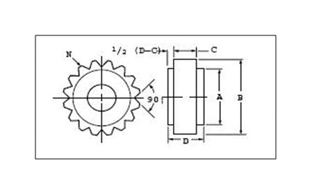
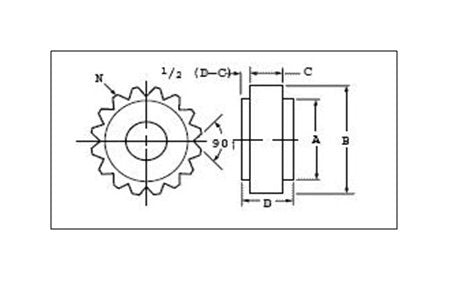
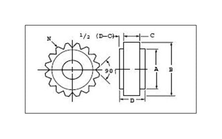
Specifications Gear Dimension A
1.420 in | 36.1 mm
Specifications Gear Dimension B
1.740 in | 44.2 mm
Specifications Gear Dimension C
.417 in | 10.6 mm
Specifications Gear Dimension D
.887 in | 22.5 mm
Specifications Gear Opening Shape
Hexagonal
Specifications Gear Opening Size
5/8 in
Specifications Gear Part Number
92710
Specifications Handle Nominal Length A
8 in | 204 mm
Specifications Handle Part Number
81901
Specifications Model
112
Specifications Number Of Teeth
20
Specifications Weight
1 1/2 lb | 0.68 kg
Specifications Wrench Handle Dimension A
1 in | 25.4 mm
Specifications Wrench Handle Dimension B
2 5/32 in | 54.8 mm
Specifications Wrench Handle Length
Long
Specifications Wrench Handle Material
Steel
Specifications Wrench Handle Type
Fixed