Lowell Model 103 Ratcheting Crank Wrench
Lowell Model 103 Ratcheting Crank Wrench
SKU:RAT-0f62ce
Versatile Lowell Model 103 Ratcheting Crank Wrench for efficient and secure machinery adjustments, available in various handle lengths.
Regular price
$49.99
Regular price
Sale price
$49.99
Unit price
per
Delivery via Maden
Expect your order to arrive on time.
Secure Payments
All orders are processed through a secure, PCI-compliant checkout.



The Lowell Model 103 Ratcheting Crank Wrench with a 3/4 in bore gear opening is a versatile tool designed for efficient machinery adjustments. Its bolt-through design allows for secure nut fastening on any threaded length. With rotating plastic handle options available, this wrench offers flexibility and durability for various adjustments like cross feed, rise and fall, and clamping. Made in the USA, this wrench features a reversing control for safe operation and comes in lengths ranging from 7 in to 12 in.
Product Specifications
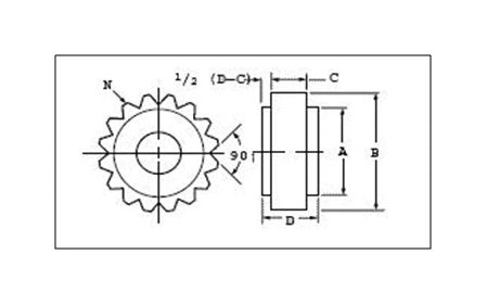
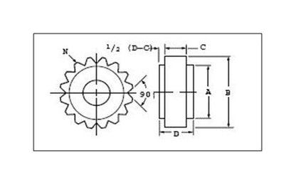
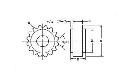
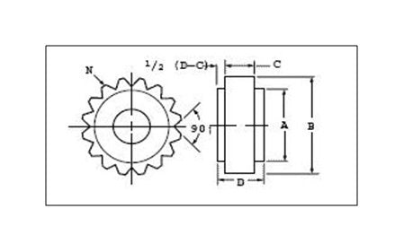
Specifications Gear Dimension A
1.840 in | 46.7 mm
Specifications Gear Dimension B
2.329 in | 59.2 mm
Specifications Gear Dimension C
.504 in | 12.8 mm
Specifications Gear Dimension D
.885 in | 22.5 mm
Specifications Gear Opening Shape
Bore
Specifications Gear Opening Size
3/4 in
Specifications Gear Part Number
L3112
Specifications Handle Nominal Length A
12 in | 305 mm
Specifications Handle Part Number
829L1
Specifications Model
103
Specifications Number Of Teeth
20
Specifications Weight
2 1/4 lb | 1.02 kg
Specifications Wrench Handle Dimension A
1 3/32 in | 27.8 mm
Specifications Wrench Handle Dimension B
3 9/16 in | 90.5 mm
Specifications Wrench Handle Length
Long (103)
Specifications Wrench Handle Material
Steel
Specifications Wrench Handle Type
Fixed