Lowell Model 114 Ratcheting Crank Wrench with 13mm Square Gear
Lowell Model 114 Ratcheting Crank Wrench with 13mm Square Gear
SKU:RAT-4b8325
Durable Lowell Model 114 Ratcheting Crank Wrench with 13mm Square Gear Opening for precise machinery adjustments.
Regular price
$49.99
Regular price
Sale price
$49.99
Unit price
per
Delivery via Maden
Expect your order to arrive on time.
Secure Payments
All orders are processed through a secure, PCI-compliant checkout.



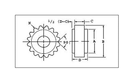
The Lowell Model 114 Ratcheting Crank Wrench is a durable and efficient tool designed for machinery adjustments with precision. Featuring a fixed steel handle for enhanced durability and a rotating plastic handle for cost-effectiveness, this wrench allows for various adjustments including cross feed, rise and fall, and more. With a reversible 20-tooth square gear opening of 13mm, this wrench ensures safety and convenience during operations. Made entirely in the USA, this wrench is built to last and meet the demands of industrial applications.
Product Specifications
Specifications Gear Dimension A
1.420 in | 36.1 mm
Specifications Gear Dimension B
1.740 in | 44.2 mm
Specifications Gear Dimension C
.417 in | 10.6 mm
Specifications Gear Dimension D
.887 in | 22.5 mm
Specifications Gear Opening Shape
Square
Specifications Gear Opening Size
13 mm
Specifications Gear Part Number
M2613
Specifications Handle Nominal Length A
10 in | 254 mm
Specifications Handle Part Number
83901
Specifications Model
114
Specifications Number Of Teeth
20
Specifications Weight
2 lb | 0.91 kg
Specifications Wrench Handle Dimension A
1 in | 25.4 mm
Specifications Wrench Handle Dimension B
2 5/32 in | 54.8 mm
Specifications Wrench Handle Length
Long
Specifications Wrench Handle Material
Steel
Specifications Wrench Handle Type
Fixed