MPI™ MAB Series Pneumatic Actuators by Parker
MPI™ MAB Series Pneumatic Actuators by Parker
SKU:VAL-4e5133
Automate and optimize valve operations with Parker's MPI™ MAB Series Pneumatic Actuators for reliable industrial performance.
Regular price
$299.99
Regular price
Sale price
$299.99
Unit price
per
Delivery via Maden
Expect your order to arrive on time.
Secure Payments
All orders are processed through a secure, PCI-compliant checkout.


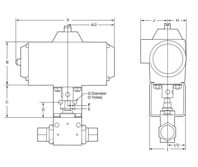
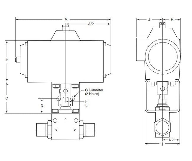
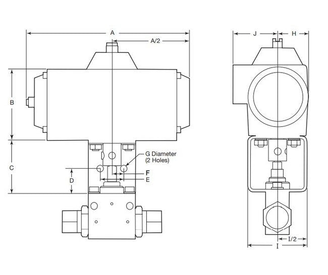
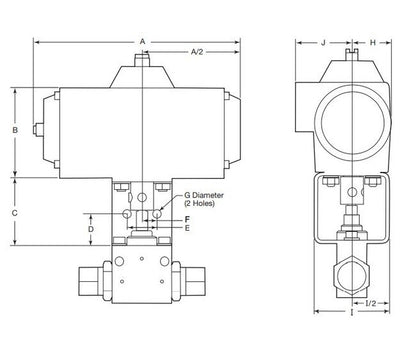
Enhance valve automation with the MPI™ MAB Series Pneumatic Actuators by Parker. These actuators offer seamless integration with MAB Series ball valves, ensuring reliable and trouble-free operation. With pneumatic operation and air-to-open/spring-to-close functionality, these actuators are ideal for various applications, including laboratories, pilot plants, and chemical research facilities. Featuring durable anodized aluminum housing and the option for high-temperature operation, these actuators are built to withstand demanding industrial environments. Consult factory for advanced features like limit switches, visual indicators, and corrosion-resistant epoxy coatings. Ensure precise and efficient control with Parker's MAB Series Pneumatic Actuators.
Product Specifications
Dimensions A
9.38 in
Dimensions Air Usage
18.1 in²
Dimensions B
4.62 in
Dimensions C
3.00 in
Dimensions D
1.50 in
Dimensions E
2.00 in
Dimensions F
1.00 in
Dimensions G
.56 in
Dimensions H
2.00 in
Dimensions I
3.00 in
Dimensions J
2.48 in
Dimensions Turn Time
1.0 sec
Specifications Applications
LaboratoriesPilot PlantsTest StandsWater Blasting Pumping UnitsControl PanelsChemical ResearchHigh Volume Chemical Injection Skids
Specifications Features
Air-to-open/spring-to-close (FC)Air-to-close/spring-to-open (FO) Air-to-open and close (double acting) (AD)Position Indication - Standard, Limit Switches optionalExpanded Temperature Range, -40 to 500°F with Silicone Seals availableStandard anodized aluminum housingStainless steel housing for corrosive applications available.Optional epoxy coated housing available