MPI™ MAB Series Pneumatic Actuators - Parker Valves
MPI™ MAB Series Pneumatic Actuators - Parker Valves
SKU:VAL-70e5ce
Automate valve operation with Parker's MAB Series Pneumatic Actuators. Reliable performance for industrial applications.
Regular price
$359.99
Regular price
Sale price
$359.99
Unit price
per
Delivery via Maden
Expect your order to arrive on time.
Secure Payments
All orders are processed through a secure, PCI-compliant checkout.


Enhance your industrial operations with Parker's MAB Series Pneumatic Actuators, designed for automated valve operation. With a durable anodized aluminum housing and a wide temperature range, these actuators deliver reliable performance in various applications, from laboratories to chemical research facilities. Featuring options like limit switches, visual indicators, and corrosion-resistant coatings, these actuators provide flexibility and durability for seamless integration into your systems.
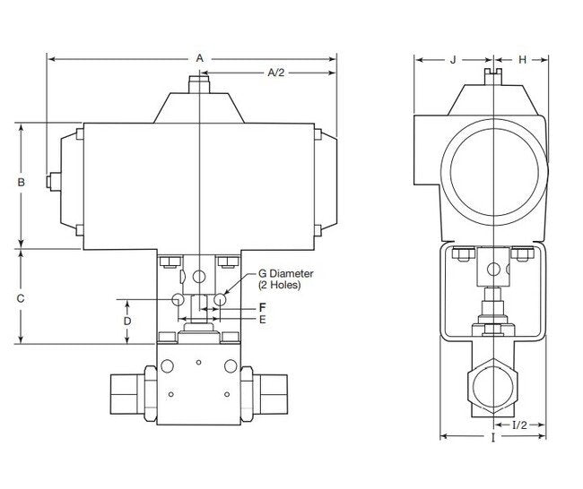
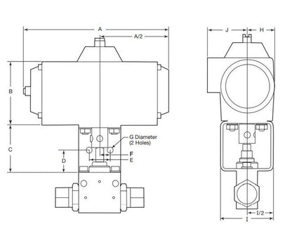
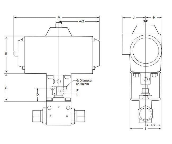
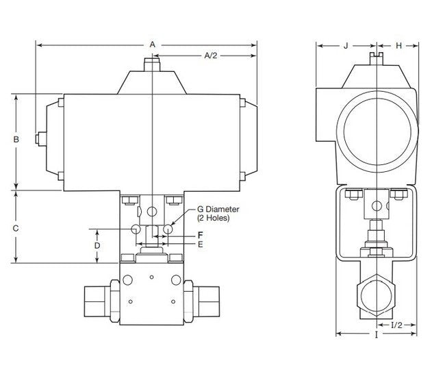
Product Specifications
Dimensions A
7.28 in
Dimensions Air Usage
40.6 in²
Dimensions B
3.86 in
Dimensions C
3.00 in
Dimensions D
1.50 in
Dimensions E
1.50 in
Dimensions F
.75 in
Dimensions G
.34 in
Dimensions H
1.59 in
Dimensions I
3.00 in
Dimensions J
2.10 in
Dimensions Turn Time
1.5 sec
Specifications Applications
LaboratoriesPilot PlantsTest StandsWater Blasting Pumping UnitsControl PanelsChemical ResearchHigh Volume Chemical Injection Skids
Specifications Features
Air-to-open/spring-to-close (FC)Air-to-close/spring-to-open (FO) Air-to-open and close (double acting) (AD)Position Indication - Standard, Limit Switches optionalExpanded Temperature Range, -40 to 500°F with Silicone Seals availableStandard anodized aluminum housingStainless steel housing for corrosive applications available.Optional epoxy coated housing available