MST Air Shut-Off Device (ASOD) Model 8010501
MST Air Shut-Off Device (ASOD) Model 8010501
SKU:SSP-7e963a
Ensure air supply safety with the MST Air Shut-Off Device (ASOD) Model 8010501. Ideal for interrupting supply during carbon monoxide alarms. Energy-efficient and reliable.
Regular price
$2,650.00
Regular price
Sale price
$2,650.00
Unit price
per
Delivery via Maden
Expect your order to arrive on time.
Secure Payments
All orders are processed through a secure, PCI-compliant checkout.


The MST Air Shut-Off Device (ASOD) Model 8010501 is a vital component in the MST Breathing Air Filtration and Purification Systems. Designed to seamlessly interrupt the air supply in case of a carbon monoxide alarm, ensuring optimal safety in critical environments. With a maximum flow rate of 100 scfm, operating temperatures ranging from -20 to 120 ºF (-29 to 49 ºC), and a maximum inlet pressure of 150 psi, this compact valving system guarantees reliable protection. Its 12 VDC power requirements and low main voltage make it energy-efficient, while its price point offers excellent value for government and institutional buyers.
Product Specifications
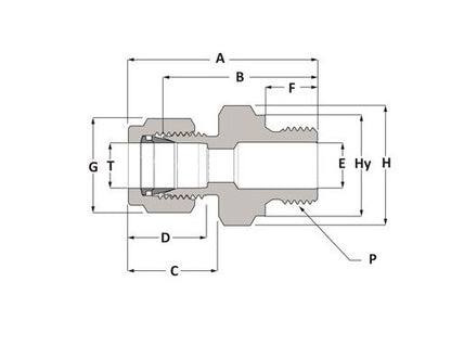
Dimensions A
47.5 mm
Dimensions B Body
38.9 mm
Dimensions C
22 mm
Dimensions D
24.4 mm
Dimensions E
11.9 mm
Dimensions F
14.2 mm
Dimensions G
25 mm
Dimensions H
27 mm
Dimensions Hy
26 mm
Dimensions P
1/2 in
Dimensions T
16 mm
Specifications Body Material
Alloy 400
Specifications Brand Series
Duolok
Specifications Connection 1 Size
16 mm
Specifications Connection 1 Type
Tube Fitting
Specifications Connection 2 Size
1/2 in
Specifications Connection 2 Type
Male BSPP
Specifications End Connections
TF x Male BSPP
Specifications Handle Color
0
Specifications Handle Type
0
Specifications Production Category
4
Specifications Shape
Straight
Category 6
Duolok® Tube Fittings