MST Low Pressure Alarm System
MST Low Pressure Alarm System
SKU:SSP-bf4e36
Get advanced low pressure warnings with the MST Low Pressure Alarm System. Set custom alerts from 30 to 300 psi for safety and equipment protection.
Regular price
$640.00
Regular price
Sale price
$640.00
Unit price
per
Delivery via Maden
Expect your order to arrive on time.
Secure Payments
All orders are processed through a secure, PCI-compliant checkout.


The MST Low Pressure Alarm System, Model 8063801, is a precision low pressure warning system designed for various pressure-sensitive applications. Users can easily set the alarm threshold between 30 and 300 psi with exceptional 1% repeatability accuracy. This alarm system ensures operator safety and equipment protection by promptly alerting to pressure drops, offering both audible and visual signals. With optional accessories available for enhanced safety measures, this system is a reliable choice for applications requiring precise pressure monitoring and compliance with industry standards.
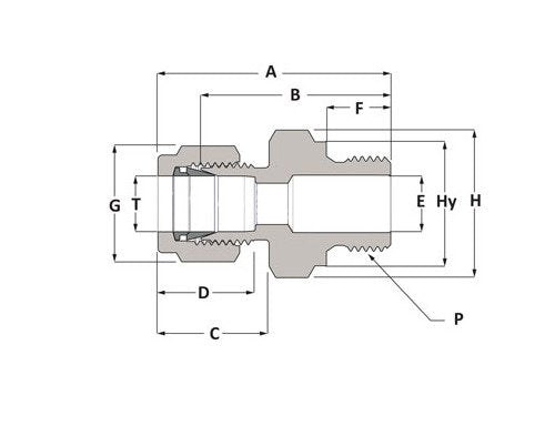
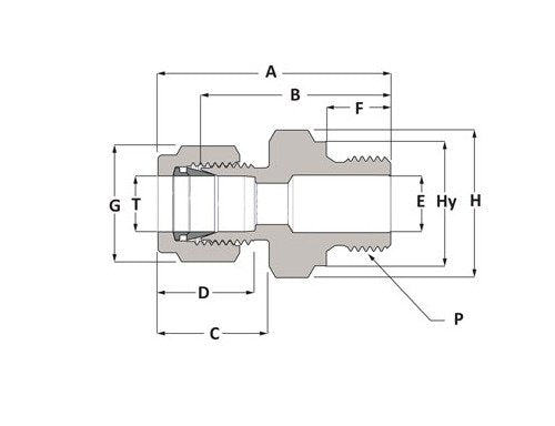
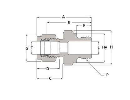
Product Specifications
Dimensions A
34 mm
Dimensions B Body
24.1 mm
Dimensions C
16.1 mm
Dimensions D
13.7 mm
Dimensions E
2.4 mm
Dimensions F
7.1 mm
Dimensions G
12 mm
Dimensions H
14 mm
Dimensions Hy
13.8 mm
Dimensions P
1/8 in
Dimensions T
4 mm
Specifications Body Material
Alloy 400
Specifications Brand Series
Duolok
Specifications Connection 1 Size
4 mm
Specifications Connection 1 Type
Tube Fitting
Specifications Connection 2 Size
1/8 in
Specifications Connection 2 Type
Male BSPP
Specifications End Connections
TF x Male BSPP
Specifications Handle Color
0
Specifications Handle Type
0
Specifications Production Category
4
Specifications Shape
Straight
Category 6
Duolok® Tube Fittings