Multi-Flex⢠119 Series Pipe Repair Packers
Multi-Flex⢠119 Series Pipe Repair Packers
SKU:PLA-af1460
Versatile and durable pipe repair packers for efficient pipeline maintenance and repairs.
Regular price
$899.99
Regular price
Sale price
$899.99
Unit price
per
Delivery via Maden
Expect your order to arrive on time.
Secure Payments
All orders are processed through a secure, PCI-compliant checkout.



The Multi-Flex⢠119 Series 33 Inch Pipe Repair Packers/Carriers with By-Pass are designed for efficient point repairs in pipelines. Made from high-strength woven Nylon reinforced EPDM, these packers offer smooth and even relining, ensuring a consistent repair diameter. With a maximum inflation pressure of 20 psig, and compatibility with air, hot water, or steam, they provide versatile repair options. Lightweight and easy to install, these packers allow for flow-thru operations during repairs, making them a reliable choice for pipeline maintenance and repairs.
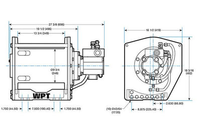
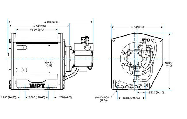
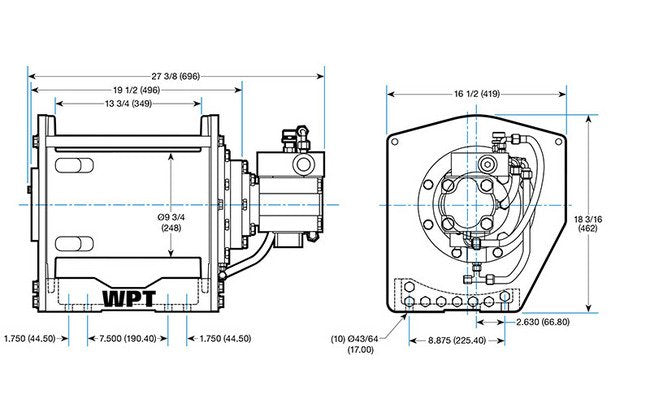
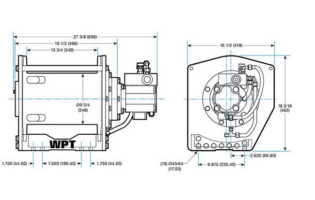
Product Specifications
Bare Drum Bare Drum Line Pull
12000 lbf | 53 kN
Bare Drum Bare Drum Line Speed
154 ft/min | 47 m/min
Drum Capacity Cable Length Diameter
13 mm | 130 m
Drum Capacity Drum Capacity
1/2 in | 438 ft
Features Features
Efficient two-stage hydraulic planetary designMultiple disc brake is spring-applied and hydraulically releasedEasily serviced compact designManual override option available
Full Drum Full Drum Line Pull
6600 lbf | 29 kN
Full Drum Full Drum Line Speed
260 ft/min | 79 m/min
Hydraulic Motor Hydraulic Motor Flow
75 gal/min | 284 L/min
Hydraulic Motor Hydraulic Motor Pressure
1700 lbf/in² | 12 MPa
Specifications Gear Ratio
59:1
Specifications Weight
595 lb | 270 kg