N/NJ/NU/NUP Single Row Cylindrical Roller Bearings
N/NJ/NU/NUP Single Row Cylindrical Roller Bearings
SKU:CYL-eed569
N/A
Regular price
$49.99
Regular price
Sale price
$49.99
Unit price
per
Delivery via Maden
Expect your order to arrive on time.
Secure Payments
All orders are processed through a secure, PCI-compliant checkout.



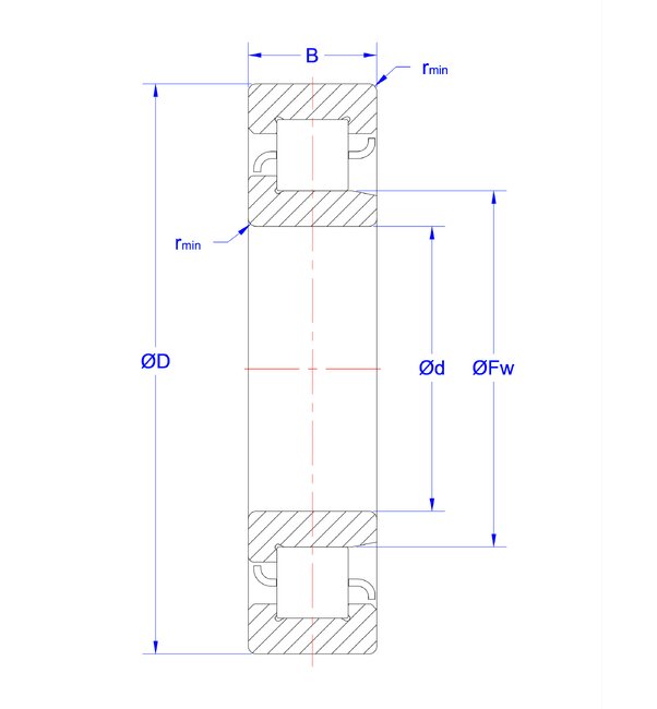
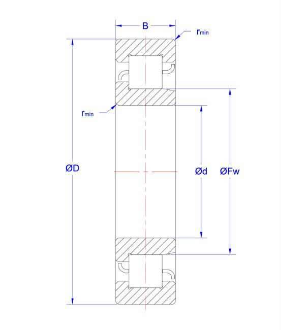
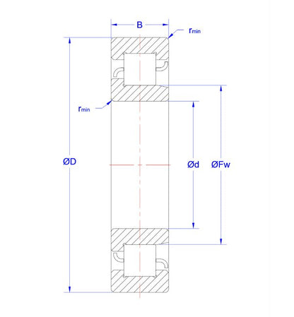
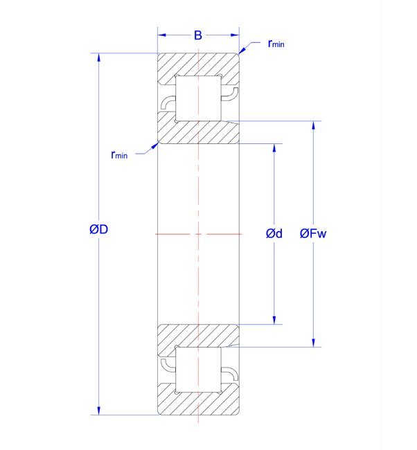
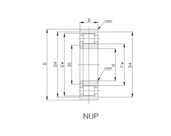
Product Specifications
Dimensions Bore Diameter
150 mm
Dimensions Dimension Ew
242 mm
Dimensions Dimension Fw
182 mm
Dimensions Minimum Dimension Rs
3 mm
Dimensions Outside Diameter
270 mm
Dimensions Overall Bearing Width
45 mm
Load Rating Dynamic Cr Load Rating
440 kN
Load Rating Static Cor Load Rating
585 kN
Specifications Limiting Speed
4500 rpm
Specifications Mass
11.9 kg