N/NJ/NU/NUP Single Row Cylindrical Roller Bearings
N/NJ/NU/NUP Single Row Cylindrical Roller Bearings
SKU:CYL-71ba29
N/A
Regular price
$49.99
Regular price
Sale price
$49.99
Unit price
per
Delivery via Maden
Expect your order to arrive on time.
Secure Payments
All orders are processed through a secure, PCI-compliant checkout.



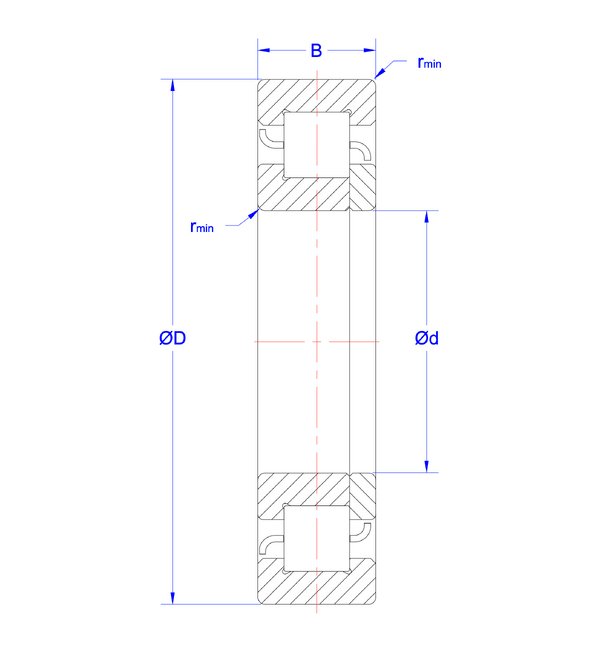
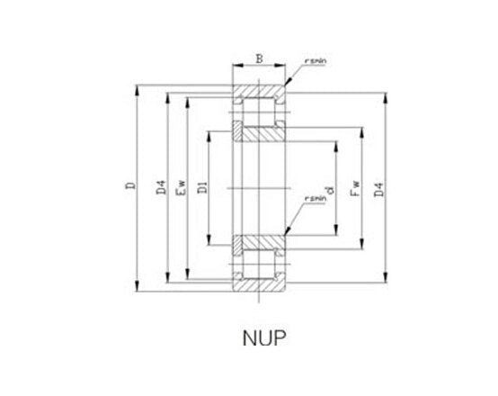
Product Specifications
Dimensions Bore Diameter
17 mm
Dimensions Dimension Ew
35.1 mm
Dimensions Dimension Fw
22.1 mm
Dimensions Minimum Dimension Rs
0.6 mm
Dimensions Outside Diameter
40 mm
Dimensions Overall Bearing Width
12 mm
Load Rating Dynamic Cr Load Rating
17.6 kN
Load Rating Static Cor Load Rating
14.6 kN
Specifications Limiting Speed
18000 rpm
Specifications Mass
0.073 kg