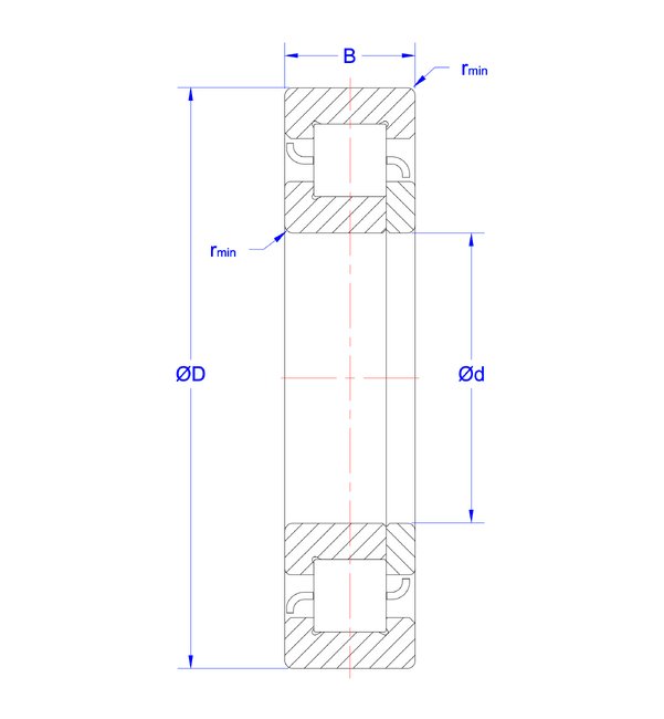
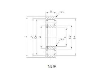
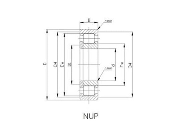
N/NJ/NU/NUP Single Row Cylindrical Roller Bearings
N/NJ/NU/NUP Single Row Cylindrical Roller Bearings
SKU:CYL-4ed9b4
N/A
Regular price
$49.99
Regular price
Sale price
$49.99
Unit price
per
Delivery via Maden
Expect your order to arrive on time.
Secure Payments
All orders are processed through a secure, PCI-compliant checkout.



Product Specifications
Dimensions Bore Diameter
100 mm
Dimensions Dimension Ew
191.5 mm
Dimensions Dimension Fw
127.5 mm
Dimensions Minimum Dimension Rs
3 mm
Dimensions Outside Diameter
215 mm
Dimensions Overall Bearing Width
47 mm
Load Rating Dynamic Cr Load Rating
380 kN
Load Rating Static Cor Load Rating
425 kN
Specifications Limiting Speed
5000 rpm
Specifications Mass
7.96 kg