N/NJ/NU/NUP Single Row Cylindrical Roller Bearings
N/NJ/NU/NUP Single Row Cylindrical Roller Bearings
SKU:CYL-5e2498
N/A
Regular price
$49.99
Regular price
Sale price
$49.99
Unit price
per
Delivery via Maden
Expect your order to arrive on time.
Secure Payments
All orders are processed through a secure, PCI-compliant checkout.



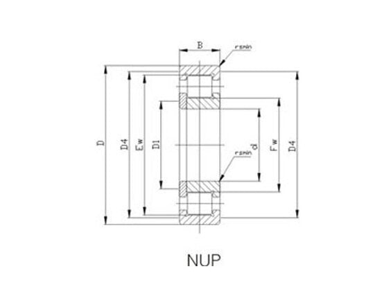
Product Specifications
Dimensions Bore Diameter
95 mm
Dimensions Dimension Ew
177.5 mm
Dimensions Dimension Fw
121.5 mm
Dimensions Minimum Dimension Rs
3 mm
Dimensions Outside Diameter
200 mm
Dimensions Overall Bearing Width
45 mm
Load Rating Dynamic Cr Load Rating
335 kN
Load Rating Static Cor Load Rating
380 kN
Specifications Limiting Speed
3400 rpm
Specifications Mass
6.55 kg