N/NJ/NU/NUP Single Row Cylindrical Roller Bearings
N/NJ/NU/NUP Single Row Cylindrical Roller Bearings
SKU:CYL-8f6d71
N/A
Regular price
$49.99
Regular price
Sale price
$49.99
Unit price
per
Delivery via Maden
Expect your order to arrive on time.
Secure Payments
All orders are processed through a secure, PCI-compliant checkout.



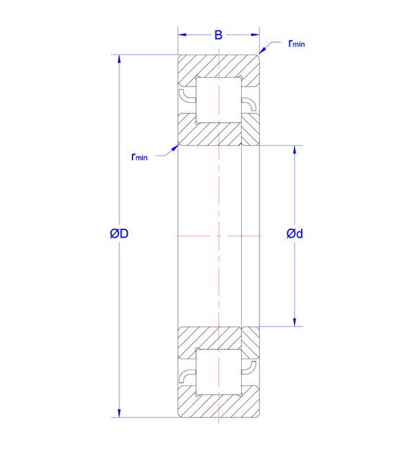
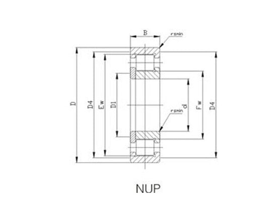
Product Specifications
Dimensions Bore Diameter
130 mm
Dimensions Dimension Ew
209.5 mm
Dimensions Dimension Fw
153.5 mm
Dimensions Minimum Dimension Rs
3 mm
Dimensions Outside Diameter
230 mm
Dimensions Overall Bearing Width
64 mm
Load Rating Dynamic Cr Load Rating
530 kN
Load Rating Static Cor Load Rating
735 kN
Specifications Limiting Speed
3000 rpm
Specifications Mass
10.8 kg