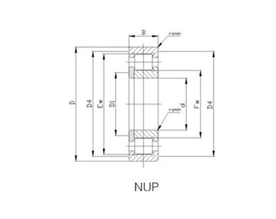
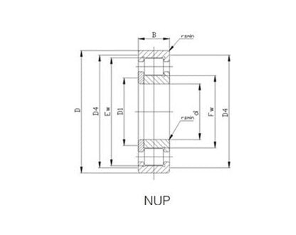
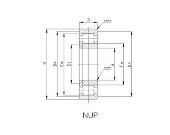
N/NJ/NU/NUP Single Row Cylindrical Roller Bearings
N/NJ/NU/NUP Single Row Cylindrical Roller Bearings
SKU:CYL-686b7d
N/A
Regular price
$49.99
Regular price
Sale price
$49.99
Unit price
per
Delivery via Maden
Expect your order to arrive on time.
Secure Payments
All orders are processed through a secure, PCI-compliant checkout.



Product Specifications
Dimensions Bore Diameter
120 mm
Dimensions Dimension Ew
195.5 mm
Dimensions Dimension Fw
143.5 mm
Dimensions Minimum Dimension Rs
2.1 mm
Dimensions Outside Diameter
215 mm
Dimensions Overall Bearing Width
58 mm
Load Rating Dynamic Cr Load Rating
450 kN
Load Rating Static Cor Load Rating
610 kN
Specifications Limiting Speed
5000 rpm
Specifications Mass
8.7 kg