Nano L-Series1 CO2 Adsorption Dryer with 212 ft³/h Inlet Air Flow
Nano L-Series1 CO2 Adsorption Dryer with 212 ft³/h Inlet Air Flow
SKU:SSP-de0ff1
Generate your own high-quality laboratory purge gas easily with the Nano L-Series1 CO2 Adsorption Dryer.
Regular price
$2,599.99
Regular price
Sale price
$2,599.99
Unit price
per
Delivery via Maden
Expect your order to arrive on time.
Secure Payments
All orders are processed through a secure, PCI-compliant checkout.


The Nano L-Series1 CO2 Adsorption Dryer provides laboratory-grade, clean, dry, and cost-effective purge gas. Generating your own gas is now easier with this wall-mountable dryer. With a compact design and quality features such as integral pre and after filtration, PLC controls, and a 5-year warranty, this dryer ensures a continuous flow of high-quality purge gas. Ideal for various applications including FTIR, TOC, NMR, GC flame gas, and laser purging, it eliminates cylinder changes, reduces recalibration needs, and operates quietly. Step into the 21st century with this efficient and reliable solution for your laboratory purge gas requirements.
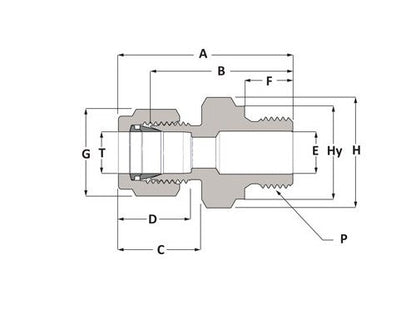
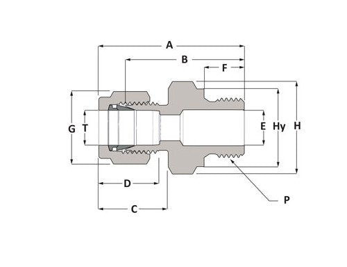
Product Specifications
Dimensions A
34 mm
Dimensions B Body
24.1 mm
Dimensions C
16.1 mm
Dimensions D
13.7 mm
Dimensions E
2.4 mm
Dimensions F
7.1 mm
Dimensions G
12 mm
Dimensions H
14 mm
Dimensions Hy
13.8 mm
Dimensions P
1/8 in
Dimensions T
4 mm
Specifications Body Material
316 SS
Specifications Brand Series
Duolok
Specifications Connection 1 Size
4 mm
Specifications Connection 1 Type
Tube Fitting
Specifications Connection 2 Size
1/8 in
Specifications Connection 2 Type
Male BSPP
Specifications End Connections
TF x Male BSPP
Specifications Handle Color
0
Specifications Handle Type
0
Specifications List Price
14.39 USD
Specifications Production Category
1
Specifications Shape
Straight
Category 6
Duolok® Tube Fittings