Portable Non-CO Removal System with Carbon Monoxide Monitor
Portable Non-CO Removal System with Carbon Monoxide Monitor
SKU:SSP-382c16
Enhanced filtration system with CO monitor for optimal clean air treatment compliance.
Regular price
$899.99
Regular price
Sale price
$899.99
Unit price
per
Delivery via Maden
Expect your order to arrive on time.
Secure Payments
All orders are processed through a secure, PCI-compliant checkout.


The Portable Non-CO Removal System with integrated CO monitor by MST offers unparalleled filtration efficiency with its four-stage system. The dual-stage element removes particles down to 0.3 microns and coalesces liquid to 0.75 microns at an exceptional efficiency rating of 99.97% (D.O.P.). Equipped with a digital display CO monitor featuring audio and visual alarms, ensuring continuous compliance with safety standards. The system includes pre-filtering for extended filter life and superior filtering capabilities, making it a reliable choice for clean air treatment in any setting.
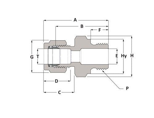
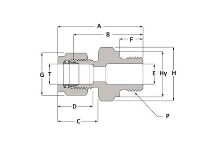
Product Specifications
Dimensions A
2.36 in
Dimensions B Body
1.88 in
Dimensions C
1.04 in
Dimensions D
1.23 in
Dimensions E
0.78 in
Dimensions F
0.72 in
Dimensions G
1 1/2 in
Dimensions H
1 5/8 in
Dimensions Hy
1.54 in
Dimensions P
1 in
Dimensions T
1 in
Specifications Body Material
Alloy 400
Specifications Brand Series
Duolok
Specifications Connection 1 Size
1 in
Specifications Connection 1 Type
Tube Fitting
Specifications Connection 2 Size
1 in
Specifications Connection 2 Type
Male BSPP
Specifications End Connections
TF x Male BSPP
Specifications Handle Color
0
Specifications Handle Type
0
Specifications Production Category
4
Specifications Shape
Straight
Category 6
Duolok® Tube Fittings