Precision Chamfered Flat Washer
Precision Chamfered Flat Washer
SKU:SSP-db85e0
Premium chamfered washer for precise fastening needs. Custom sizes available. Request quote now!
Regular price
$29.99
Regular price
Sale price
$29.99
Unit price
per
Delivery via Maden
Expect your order to arrive on time.
Secure Payments
All orders are processed through a secure, PCI-compliant checkout.


The Precision Chamfered Flat Washer is meticulously crafted to meet the exacting standards of metal stamping services and machinery bushings. Available in a range of sizes from 0.008" to 0.250" thick and up to 4.00" in outer diameter, this washer is designed for precision and reliability. Crafted with high-quality materials and manufactured using cutting-edge equipment, it ensures consistent performance and durability. Submit your design specifications through the 'RFI' button for customized solutions and quotes.
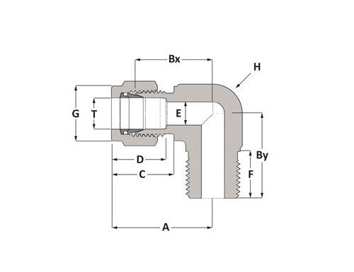
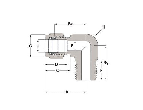
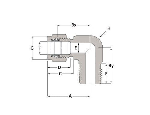
Product Specifications
Dimensions A
25.4 mm
Dimensions Bx
18.8 mm
Dimensions By
18.8 mm
Dimensions C
16.1 mm
Dimensions D
13.7 mm
Dimensions E
2.4 mm
Dimensions F
9.9 mm
Dimensions G
1/2 in | 13 mm
Dimensions H
1/2 in | 13 mm
Dimensions P
1/8 in
Dimensions T
4 mm
Specifications Body Material
Alloy 400
Specifications Brand Series
Duolok
Specifications Connection 1 Size
4 mm
Specifications Connection 1 Type
Tube Fitting
Specifications Connection 2 Size
1/8 in
Specifications Connection 2 Type
Male BSPT
Specifications End Connections
TF x Male BSPT
Specifications Handle Color
0
Specifications Handle Type
0
Specifications Production Category
4
Specifications Shape
Elbow
Category 6
Duolok® Tube Fittings