Precision Slot Flat Washer
Precision Slot Flat Washer
SKU:SSP-ae0260
Experience precision engineering with the Slot Flat Washer designed for profiled shaft applications. Customizable sizes available.
Regular price
$14.99
Regular price
Sale price
$14.99
Unit price
per
Delivery via Maden
Expect your order to arrive on time.
Secure Payments
All orders are processed through a secure, PCI-compliant checkout.


The Precision Slot Flat Washer is designed for applications requiring precise orientation maintenance on profiled shafts. With thickness options ranging from 0.008" to 0.250" and an outer diameter up to 4.00", this washer ensures secure placement when used with retaining hardware. Expertly crafted with advanced stamping production equipment and machining capabilities, this washer can be customized to meet your specific design requirements. Simply submit your design documentation for a personalized quote. Experience unmatched precision and quality with the Precision Slot Flat Washer.
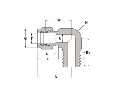
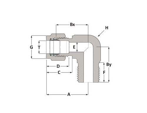
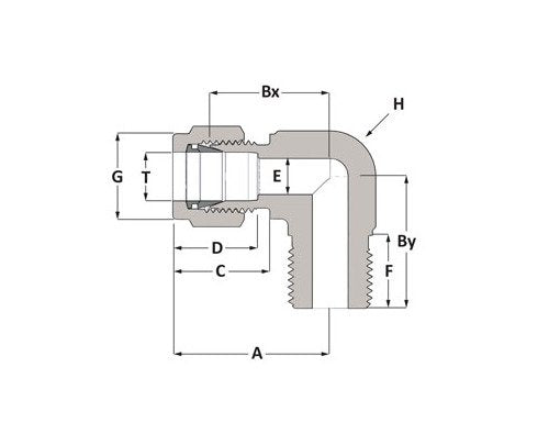
Product Specifications
Dimensions A
44.6 mm
Dimensions Bx
34.5 mm
Dimensions By
41.6 mm
Dimensions C
22.0 mm
Dimensions D
26.0 mm
Dimensions E
15.9 mm
Dimensions F
19.3 mm
Dimensions G
1 3/8 in | 35 mm
Dimensions H
1 3/8 in | 35 mm
Dimensions P
3/4 in
Dimensions T
22 mm
Specifications Body Material
Alloy 400
Specifications Brand Series
Duolok
Specifications Connection 1 Size
22 mm
Specifications Connection 1 Type
Tube Fitting
Specifications Connection 2 Size
3/4 in
Specifications Connection 2 Type
Male BSPT
Specifications End Connections
TF x Male BSPT
Specifications Handle Color
0
Specifications Handle Type
0
Specifications Production Category
4
Specifications Shape
Elbow
Category 6
Duolok® Tube Fittings