ProSeries 20 Ratchet Wrench - Model 27, 1 1/16 in Hex Gear
ProSeries 20 Ratchet Wrench - Model 27, 1 1/16 in Hex Gear
SKU:SER-04f289
Heavy-duty ProSeries Ratchet Wrench with 1 1/16 in Hex Gear Opening, meets US Federal Spec. GGGW-653, Type I, Class 2
Regular price
$89.99
Regular price
Sale price
$89.99
Unit price
per
Delivery via Maden
Expect your order to arrive on time.
Secure Payments
All orders are processed through a secure, PCI-compliant checkout.



The ProSeries Model 27 Ratchet Wrench is a heavy-duty tool designed for industrial applications. Constructed from cast malleable iron, it is durable and reliable for tough jobs. The remote reversing feature, controlled at the end of the handle, ensures ease of use and safety. With a gear opening size of 1 1/16 inches and conformity to US Federal Spec. GGGW-653, Type I, Class 2, this wrench meets stringent standards for government and institutional procurement.
Product Specifications
Specifications Dimension B
26 9/16 in | 675 mm
Specifications Dimension C
3 3/4 in | 95 mm
Specifications Dimension D
1 3/8 in | 35 mm
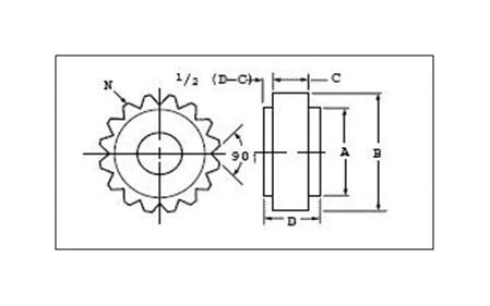
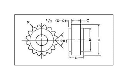
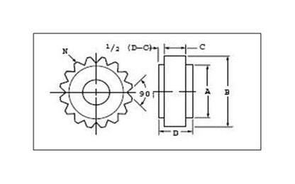
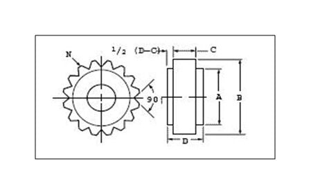
Specifications Gear Dimension A
2.489 in | 63.2 mm
Specifications Gear Dimension B
2.935 in | 74.5 mm
Specifications Gear Dimension C
.801 in | 20.3 mm
Specifications Gear Dimension D
1.385 in | 35.2 mm
Specifications Gear Opening Shape
Hexagonal
Specifications Gear Opening Size
1 1/16 in
Specifications Gear Part Number
94317
Specifications Handle Nominal Length A
24 5/8 in | 625 mm
Specifications Handle Part Number
27901
Specifications Material
Cast Malleable Iron
Specifications Model
27
Specifications Number Of Teeth
20
Specifications Series
20
Specifications Standards
US Federal Specification GGG-W-653, Type I, Class 2
Specifications Weight
12 lb | 5.4 kg