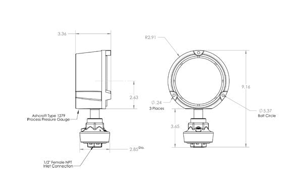
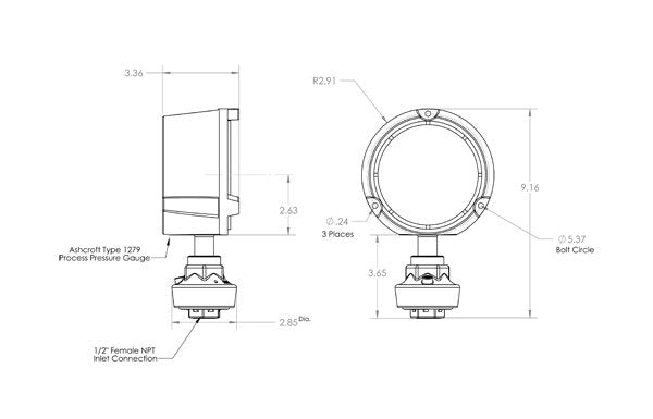
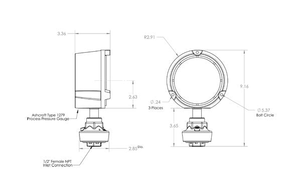
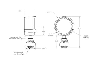
PVC Tuff Guard Gauge Isolator with 4.5" Ashcroft Duragauge Vacuum Process Gauge
PVC Tuff Guard Gauge Isolator with 4.5" Ashcroft Duragauge Vacuum Process Gauge
SKU:GAU-3ee5d3
Reliable PVC Tuff Guard Gauge Isolator with EPDM Diaphragm & 4.5" Ashcroft Duragauge for accurate pressure readings.
Regular price
$578.50
Regular price
Sale price
$578.50
Unit price
per
Delivery via Maden
Expect your order to arrive on time.
Secure Payments
All orders are processed through a secure, PCI-compliant checkout.


The PVC Tuff Guard Gauge Isolator features an EPDM Diaphragm for precise pressure transmission. With a sturdy stainless steel reinforced instrument connection and compressive spoke ribs, it ensures reliable performance and durability. The 4.5" Ashcroft Duragauge Vacuum Process Gauge boasts patented Duratube technology for extended lifespan and exceptional accuracy. The assembly is glycerin-filled for smooth operation, and the unit is calibrated and tested, meeting stringent industry standards.
Product Specifications
Specifications Inlet Connection
1/4" Female NPT
Specifications List Price
578.5 USD
Specifications Materials
PVC, EPDM Diaphragm
Specifications Pressure Range
0-30 PSI
Specifications Shipping Note
We will let you know the shipping charges once we receive the order.