PVC Tuff Guard Gauge Isolator with Viton Diaphragm
PVC Tuff Guard Gauge Isolator with Viton Diaphragm
SKU:GAU-0412ba
High-performance PVC Tuff Guard Gauge Isolator with Viton Diaphragm for accurate pressure readings and durability.
Regular price
$578.50
Regular price
Sale price
$578.50
Unit price
per
Delivery via Maden
Expect your order to arrive on time.
Secure Payments
All orders are processed through a secure, PCI-compliant checkout.


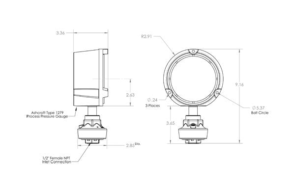
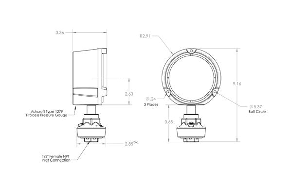
The PVC Tuff Guard Gauge Isolator with Viton Diaphragm is engineered for precise pressure transmission, featuring a stainless steel reinforced instrument connection and convoluted diaphragm design. With a robust construction meeting ANSI Schedule 120 standards, this isolator ensures accurate pressure readings and longevity. The assembly includes a 4.5" Ashcroft Duragauge Process Gauge vacuum filled, calibrated, and backed by a 3-year warranty. Built for reliability and durability, this assembly is ideal for demanding industrial applications.
Product Specifications
Specifications Inlet Connection
1/4" Female NPT
Specifications List Price
578.5 USD
Specifications Materials
PVC, Viton Diaphragm
Specifications Pressure Range
0-100 PSI
Specifications Shipping Note
We will let you know the shipping charges once we receive the order.