Respiratory Protector Wall Mount CO Removal System with CO Monitor
Respiratory Protector Wall Mount CO Removal System with CO Monitor
SKU:SSP-2b4377
Efficiently remove CO with the Respiratory Protector Wall Mount System - safe, comfortable breathing air guaranteed!
Regular price
$1,299.99
Regular price
Sale price
$1,299.99
Unit price
per
Delivery via Maden
Expect your order to arrive on time.
Secure Payments
All orders are processed through a secure, PCI-compliant checkout.


The Respiratory Protector Wall Mount CO Removal System is a cutting-edge solution designed for both consumer and institutional buyers. Utilizing LT CAT low-temperature catalyst technology, this system efficiently removes CO while ensuring a continuous flow of moist, comfortable breathing air. With capacities ranging from 10 to 1000 SCFM, it offers flexibility to suit various space requirements. The Twin 50 Model presents cost-effective replacement catalyst cartridges for larger systems. Equipped with electrochemical carbon monoxide monitors like the Model 2002 with LED display and heavy-duty enclosure, safety is paramount. Experience clean air with ease and reliability.
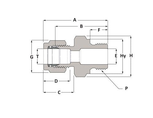
Product Specifications
Dimensions A
1.27 in
Dimensions B Body
0.98 in
Dimensions C
0.70 in
Dimensions D
0.60 in
Dimensions E
0.16 in
Dimensions F
0.28 in
Dimensions G
9/16 in
Dimensions H
9/16 in
Dimensions Hy
0.54 in
Dimensions P
1/8 in
Dimensions T
1/4 in
Specifications Body Material
Alloy C-276
Specifications Brand Series
Duolok
Specifications Connection 1 Size
1/4 in
Specifications Connection 1 Type
Tube Fitting
Specifications Connection 2 Size
1/8 in
Specifications Connection 2 Type
Male BSPP
Specifications End Connections
TF x Male BSPP
Specifications Handle Color
0
Specifications Handle Type
0
Specifications Production Category
4
Specifications Shape
Straight
Category 6
Duolok® Tube Fittings