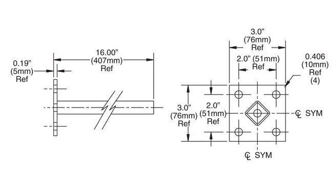
Safelec 2 Conductor Bar Collector Brackets - Single Post, 50A
Safelec 2 Conductor Bar Collector Brackets - Single Post, 50A
SKU:CRA-558ff1
Secure support for Safelec 2 Conductor Bar, 50A rating, sturdy construction.
Regular price
$34.99
Regular price
Sale price
$34.99
Unit price
per
Delivery via Maden
Expect your order to arrive on time.
Secure Payments
All orders are processed through a secure, PCI-compliant checkout.



The Safelec 2 Conductor Bar Collector Brackets are designed for optimal performance and safety in crane control systems. With a sturdy single post construction and an amperage rating of 50A, these brackets provide secure support for your conductor bar system. The 0.50 inch post size ensures compatibility while weighing just 0.80 lb for easy installation. Meet industry standards with these reliable and durable collector brackets.
Product Specifications
Specifications Amperage Rating
50 A
Specifications Post Size
0.50 in | 13 mm
Specifications Type
Single Post, for 50A Collector
Specifications Weight
0.80 lb | 0.36 kg