Series 10 1 1/8 Inch Square Gear Ratchet Wrench - Model 16
Series 10 1 1/8 Inch Square Gear Ratchet Wrench - Model 16
SKU:SER-e16ec5
Premium Series 10 Model 16 Ratchet Wrench for heavy-duty applications, with 1 1/8 Inch Square Gear Opening. Conforms to US Federal Standards.
Regular price
$49.99
Regular price
Sale price
$49.99
Unit price
per
Delivery via Maden
Expect your order to arrive on time.
Secure Payments
All orders are processed through a secure, PCI-compliant checkout.



The Series 10 Model 16 Ratchet Wrench features a durable cast malleable iron construction, making it ideal for rugged, heavy-duty applications. With a 1 1/8 inch square gear opening and bolt-through design, this wrench offers reliable performance with a slim profile. It conforms to US Federal Specification GGG-W-653, Type I, Class 1 standards, ensuring quality and precision. The enclosed, replaceable gears and reversing control in the head provide versatility and ease of use, making it a top choice for both consumer and institutional buyers.
Product Specifications
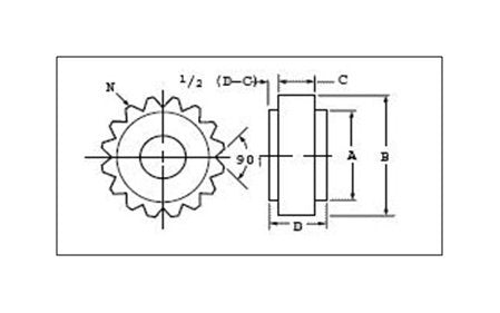
Specifications Dimension B
16 1/2 in | 420 mm
Specifications Dimension C
3 in | 76 mm
Specifications Dimension D
1 7/32 in | 30 mm
Specifications Gear Dimension A
1.840 in | 46.7 mm
Specifications Gear Dimension B
2.329 in | 59.2 mm
Specifications Gear Dimension C
.685 in | 17.4 mm
Specifications Gear Dimension D
1.218 in | 30.9 mm
Specifications Gear Opening Shape
Square
Specifications Gear Opening Size
1 1/8 in
Specifications Gear Part Number
93218
Specifications Handle Nominal Length A
15 in | 382 mm
Specifications Handle Part Number
16901
Specifications Material
Cast Malleable Iron
Specifications Model
16
Specifications Number Of Teeth
20
Specifications Series
10
Specifications Standards
US Federal Specification GGG-W-653, Type I, Class 1
Specifications Weight
4 3/4 lb | 2.16 kg