Series 10 Model 13 Hexagonal Gear Ratchet Wrench (16mm)
Series 10 Model 13 Hexagonal Gear Ratchet Wrench (16mm)
SKU:SER-6551ad
Durable Series 10 Ratchet Wrench, 16mm Hex Gear Opening, US Federal Spec GGG-W-653 Type I, Class 1 Compliant
Regular price
$49.99
Regular price
Sale price
$49.99
Unit price
per
Delivery via Maden
Expect your order to arrive on time.
Secure Payments
All orders are processed through a secure, PCI-compliant checkout.



The Series 10 Model 13 Ratchet Wrench with a 16mm Hexagonal Gear Opening is crafted from durable cast malleable iron, ensuring reliability in rugged, heavy-duty applications. Its slim profile houses enclosed, replaceable gears with a reversing control in the head, providing versatility and ease of use. This wrench complies with US Federal Specification GGG-W-653, Type I, Class 1 standards, making it ideal for government and institutional procurement needs. With its bolt-through design and available special gear opening shapes and sizes, this wrench caters to a wide range of industrial requirements.
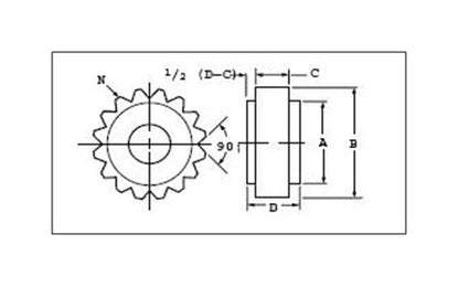
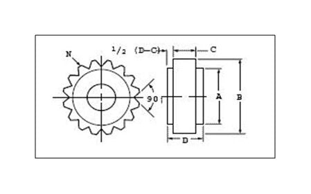
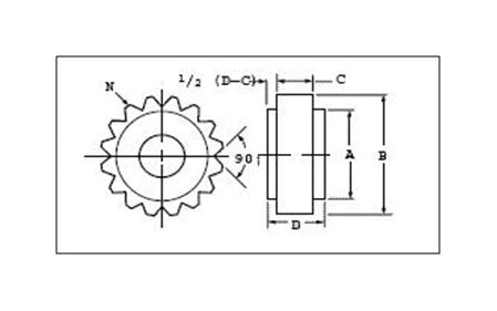
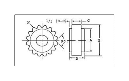
Product Specifications
Specifications Dimension B
11 in | 280 mm
Specifications Dimension C
1 15/16 in | 50 mm
Specifications Dimension D
7/8 in | 22 mm
Specifications Gear Dimension A
1.058 in | 26.9 mm
Specifications Gear Dimension B
1.365 in | 34.7 mm
Specifications Gear Dimension C
.507 in | 12.9 mm
Specifications Gear Dimension D
.855 in | 21.7 mm
Specifications Gear Opening Shape
Hexagonal
Specifications Gear Opening Size
16 mm
Specifications Gear Part Number
M1316
Specifications Handle Nominal Length A
10 in | 254 mm
Specifications Handle Part Number
13901
Specifications Material
Cast Malleable Iron
Specifications Model
13
Specifications Number Of Teeth
16
Specifications Series
10
Specifications Standards
US Federal Specification GGG-W-653, Type I, Class 1
Specifications Weight
1 1/2 lb | 0.68 kg