Series 10 Model 15 16mm Hex Ratchet Wrench
Series 10 Model 15 16mm Hex Ratchet Wrench
SKU:SER-8e2fdd
Durable Series 10 Ratchet Wrench with 16mm Hex Gear Opening, US Federal Specification GGG-W-653, Type I, Class 1 compliant
Regular price
$39.99
Regular price
Sale price
$39.99
Unit price
per
Delivery via Maden
Expect your order to arrive on time.
Secure Payments
All orders are processed through a secure, PCI-compliant checkout.



The Series 10 Model 15 Ratchet Wrench with a 16mm Hexagonal Gear Opening is crafted from durable cast malleable iron, ensuring reliability in rugged applications. With an enclosed, replaceable gear system and a bolt-through design, it offers superior performance and longevity. This slim-profile wrench conforms to US Federal Specification GGG-W-653, Type I, Class 1, making it ideal for institutional and government use. Custom gear opening shapes and sizes are available, catering to specific needs.
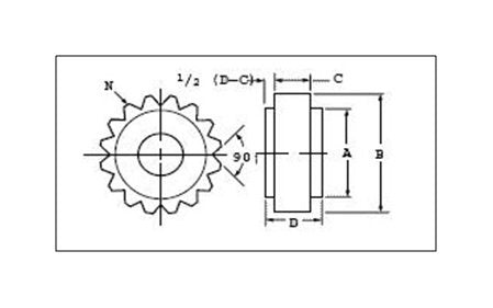
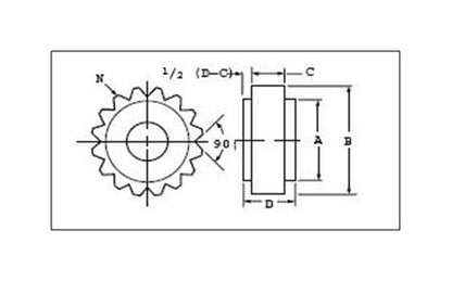
Product Specifications
Specifications Dimension B
13 1/4 in | 336 mm
Specifications Dimension C
2 5/16 in | 59 mm
Specifications Dimension D
13/16 in | 20 mm
Specifications Gear Dimension A
1.420 in | 36.1 mm
Specifications Gear Dimension B
1.740 in | 44.2 mm
Specifications Gear Dimension C
.417 in | 10.6 mm
Specifications Gear Dimension D
.887 in | 22.5 mm
Specifications Gear Opening Shape
Hexagonal
Specifications Gear Opening Size
16 mm
Specifications Gear Part Number
M2716
Specifications Handle Nominal Length A
12 in | 305 mm
Specifications Handle Part Number
15901
Specifications Material
Cast Malleable Iron
Specifications Model
15
Specifications Number Of Teeth
20
Specifications Series
10
Specifications Standards
US Federal Specification GGG-W-653, Type I, Class 1
Specifications Weight
2 lb | 0.91 kg