Series 10 Model 15 Ratchet Wrench, 3/4in Square Gear
Series 10 Model 15 Ratchet Wrench, 3/4in Square Gear
SKU:SER-542908
Durable Series 10 Ratchet Wrench with 3/4in Square Gear Opening, ideal for heavy-duty applications. Meets US Federal Specification GGG-W-653 standards.
Regular price
$49.99
Regular price
Sale price
$49.99
Unit price
per
Delivery via Maden
Expect your order to arrive on time.
Secure Payments
All orders are processed through a secure, PCI-compliant checkout.



The Series 10 Model 15 Ratchet Wrench with a 3/4in Square Gear Opening is expertly crafted from durable cast malleable iron for rugged applications. Featuring a reversible control in the head, enclosed replaceable gears, and a slim profile, this wrench meets US Federal Specification GGG-W-653, Type I, Class 1 standards. With special gear opening shapes and various sizes available on request, this wrench ensures precise and reliable performance in industrial settings.
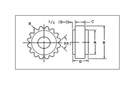
Product Specifications
Specifications Dimension B
13 1/4 in | 336 mm
Specifications Dimension C
2 5/16 in | 59 mm
Specifications Dimension D
13/16 in | 20 mm
Specifications Gear Dimension A
1.420 in | 36.1 mm
Specifications Gear Dimension B
1.740 in | 44.2 mm
Specifications Gear Dimension C
.417 in | 10.6 mm
Specifications Gear Dimension D
.887 in | 22.5 mm
Specifications Gear Opening Shape
Square
Specifications Gear Opening Size
3/4 in
Specifications Gear Part Number
92612
Specifications Handle Nominal Length A
12 in | 305 mm
Specifications Handle Part Number
15901
Specifications Material
Cast Malleable Iron
Specifications Model
15
Specifications Number Of Teeth
20
Specifications Series
10
Specifications Standards
US Federal Specification GGG-W-653, Type I, Class 1
Specifications Weight
2 lb | 0.91 kg