Series 10 Model 16 Ratchet Wrench with 17mm Square Gear Opening
Series 10 Model 16 Ratchet Wrench with 17mm Square Gear Opening
SKU:SER-07707a
Durable Series 10 Ratchet Wrench with 17mm Square Gear Opening, US Federal Spec GGG-W-653, Type I, Class 1, ideal for heavy-duty applications.
Regular price
$79.99
Regular price
Sale price
$79.99
Unit price
per
Delivery via Maden
Expect your order to arrive on time.
Secure Payments
All orders are processed through a secure, PCI-compliant checkout.



The Series 10 Model 16 Ratchet Wrench is crafted from durable cast malleable iron, making it ideal for rugged, heavy-duty applications. Featuring a reversible control in the head and enclosed, replaceable gears, it offers versatility and longevity. With a slim profile and conforming to US Federal Specification GGG-W-653, Type I, Class 1 standards, this wrench ensures reliability and precision. The 17mm square gear opening, with 20 teeth, provides a secure fit for various applications. Whether for consumer or institutional use, this wrench is a top choice for efficiency and durability.
Product Specifications
Specifications Dimension B
16 1/2 in | 420 mm
Specifications Dimension C
3 in | 76 mm
Specifications Dimension D
1 7/32 in | 30 mm
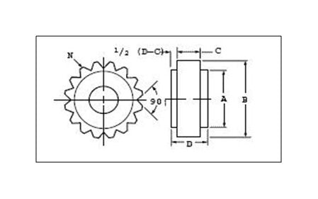
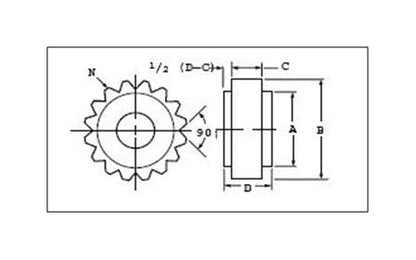
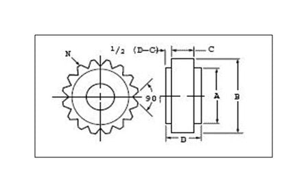
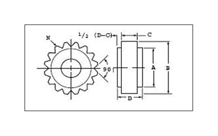
Specifications Gear Dimension A
1.840 in | 46.7 mm
Specifications Gear Dimension B
2.329 in | 59.2 mm
Specifications Gear Dimension C
.685 in | 17.4 mm
Specifications Gear Dimension D
1.218 in | 30.9 mm
Specifications Gear Opening Shape
Square
Specifications Gear Opening Size
17 mm
Specifications Gear Part Number
M3217
Specifications Handle Nominal Length A
15 in | 382 mm
Specifications Handle Part Number
16901
Specifications Material
Cast Malleable Iron
Specifications Model
16
Specifications Number Of Teeth
20
Specifications Series
10
Specifications Standards
US Federal Specification GGG-W-653, Type I, Class 1
Specifications Weight
4 3/4 lb | 2.16 kg