Series 10 Model 16 Ratchet Wrench with 28mm Square Gear Opening
Series 10 Model 16 Ratchet Wrench with 28mm Square Gear Opening
SKU:SER-1a999d
Durable Series 10 Ratchet Wrench with 28mm Square Gear Opening, meets US Federal Specification GGG-W-653 standards.
Regular price
$49.99
Regular price
Sale price
$49.99
Unit price
per
Delivery via Maden
Expect your order to arrive on time.
Secure Payments
All orders are processed through a secure, PCI-compliant checkout.



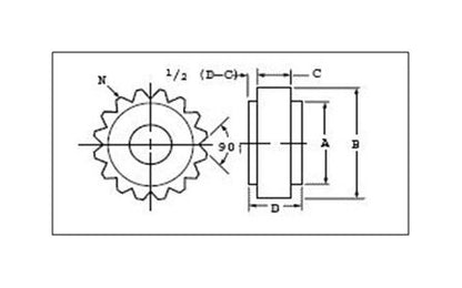
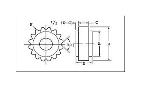
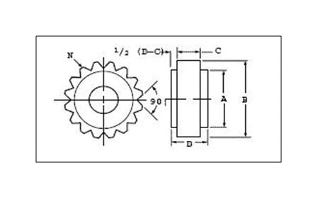
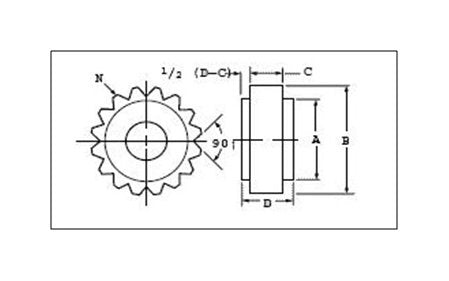
The Series 10 Model 16 Ratchet Wrench features a durable cast malleable iron construction, ideal for rugged applications. With a reversible control in the head and enclosed replaceable gears, it ensures reliability and longevity. Meeting US Federal Specification GGG-W-653, Type I, Class 1 standards, this wrench offers a slim profile design and a bolt-through feature for added convenience. The 28mm square gear opening, with 20 teeth and precise dimensions, provides exceptional performance, with special gear opening shapes and sizes available upon request.
Product Specifications
Specifications Dimension B
16 1/2 in | 420 mm
Specifications Dimension C
3 in | 76 mm
Specifications Dimension D
1 7/32 in | 30 mm
Specifications Gear Dimension A
1.840 in | 46.7 mm
Specifications Gear Dimension B
2.329 in | 59.2 mm
Specifications Gear Dimension C
.685 in | 17.4 mm
Specifications Gear Dimension D
1.218 in | 30.9 mm
Specifications Gear Opening Shape
Square
Specifications Gear Opening Size
28 mm
Specifications Gear Part Number
M3228
Specifications Handle Nominal Length A
15 in | 382 mm
Specifications Handle Part Number
16901
Specifications Material
Cast Malleable Iron
Specifications Model
16
Specifications Number Of Teeth
20
Specifications Series
10
Specifications Standards
US Federal Specification GGG-W-653, Type I, Class 1
Specifications Weight
4 3/4 lb | 2.16 kg