Series 10 Ratchet Wrench - Model 15 with 16mm Bore Gear
Series 10 Ratchet Wrench - Model 15 with 16mm Bore Gear
SKU:SER-1c0a2e
Durable, precise, and compliant Series 10 Ratchet Wrench with 16mm gear opening, ideal for heavy-duty tasks.
Regular price
$59.99
Regular price
Sale price
$59.99
Unit price
per
Delivery via Maden
Expect your order to arrive on time.
Secure Payments
All orders are processed through a secure, PCI-compliant checkout.



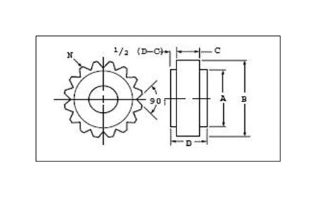
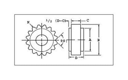
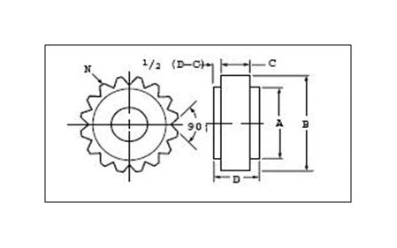
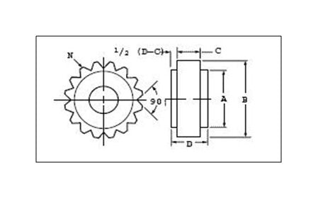
The Series 10 Model 15 Ratchet Wrench is crafted from durable cast malleable iron, ensuring reliability in rugged applications. Featuring a 16mm bore gear opening with 20 teeth, this wrench offers precise control and torque for various tasks. Compliant with US Federal Specification GGG-W-653, Type I, Class 1 standards, it boasts a bolt-through design for enhanced stability. Whether for industrial or government use, the enclosed, replaceable gears and slim profile make this wrench a versatile and long-lasting tool.
Product Specifications
Specifications Dimension B
13 1/4 in | 336 mm
Specifications Dimension C
2 5/16 in | 59 mm
Specifications Dimension D
13/16 in | 20 mm
Specifications Gear Dimension A
1.420 in | 36.1 mm
Specifications Gear Dimension B
1.740 in | 44.2 mm
Specifications Gear Dimension C
.417 in | 10.6 mm
Specifications Gear Dimension D
.887 in | 22.5 mm
Specifications Gear Opening Shape
Bore
Specifications Gear Opening Size
16 mm
Specifications Gear Part Number
M2516
Specifications Handle Nominal Length A
12 in | 305 mm
Specifications Handle Part Number
15901
Specifications Material
Cast Malleable Iron
Specifications Model
15
Specifications Number Of Teeth
20
Specifications Series
10
Specifications Standards
US Federal Specification GGG-W-653, Type I, Class 1
Specifications Weight
2 lb | 0.91 kg