Series 100 Model 103 Ratchet Wrench 1 1/8 Inch Bore
Series 100 Model 103 Ratchet Wrench 1 1/8 Inch Bore
SKU:SER-6cfcd3
Discover precision and durability with the Series 100 Model 103 Ratchet Wrench featuring a 1 1/8 inch bore gear opening.
Regular price
$49.99
Regular price
Sale price
$49.99
Unit price
per
Delivery via Maden
Expect your order to arrive on time.
Secure Payments
All orders are processed through a secure, PCI-compliant checkout.



The Series 100 Model 103 Ratchet Wrench features a 1 1/8 inch bore gear opening, offering unparalleled precision and durability. With a handle length of 13 1/2 inches and a lightweight design of 2 1/4 lbs, this wrench provides optimal performance for a variety of tasks. The factory pre-assembled construction ensures reliability, while the slim profile gears and vinyl grip enhance user comfort. Request for special gear opening shapes and sizes is welcomed, catering to specific institutional needs.
Product Specifications
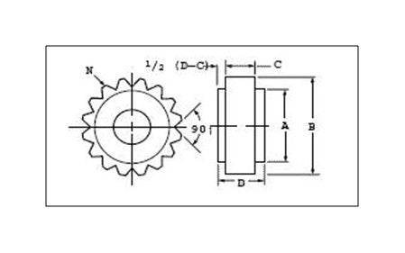
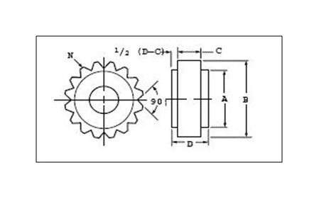
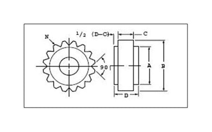
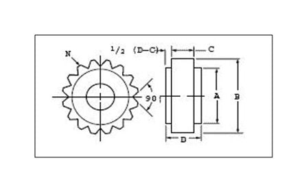
Specifications Gear Dimension A
1.840 in | 46.7 mm
Specifications Gear Dimension B
2.329 in | 59.2 mm
Specifications Gear Dimension C
.504 in | 12.8 mm
Specifications Gear Dimension D
.885 in | 22.5 mm
Specifications Gear Opening Shape
Bore
Specifications Gear Opening Size
1 1/8 in
Specifications Gear Part Number
L3118
Specifications Handle Part Number
829L1
Specifications Model
103
Specifications Number Of Teeth
20
Specifications Overall Length B
13 1/2 in | 342 mm
Specifications Series
100
Specifications Socket Head Diameter C
2 1/2 in | 64 mm
Specifications Socket Length A
12 in | 305 mm
Specifications Thickness D
7/8 in | 22 mm
Specifications Weight
2 1/4 lb | 1.02 kg