Series 20 27mm Hexagonal Gear Ratchet Wrench - Model 27
Series 20 27mm Hexagonal Gear Ratchet Wrench - Model 27
SKU:SER-9cc4bc
Durable Model 27 Ratchet Wrench with 27mm Hex Gear Opening for heavy-duty applications. Meets US Federal Spec. GGGW-653 standards.
Regular price
$89.99
Regular price
Sale price
$89.99
Unit price
per
Delivery via Maden
Expect your order to arrive on time.
Secure Payments
All orders are processed through a secure, PCI-compliant checkout.



The Series 20 Model 27 Ratchet Wrench features a durable construction with a 27mm hexagonal gear opening made of cast malleable iron. Designed for heavy-duty applications, this wrench offers a reversible control for added convenience and safety. Meeting US Federal Spec. GGGW-653, Type 1, Class 2 standards, this bolt-through design tool is ideal for various institutional and government procurement needs.
Product Specifications
Specifications Dimension B
26 9/16 in | 675 mm
Specifications Dimension C
3 3/4 in | 95 mm
Specifications Dimension D
1 3/8 in | 35 mm
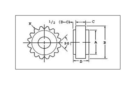
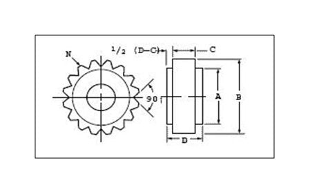
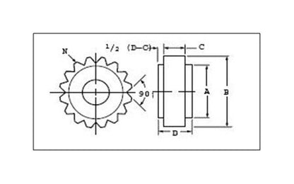
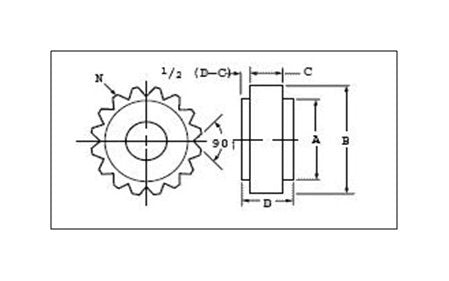
Specifications Gear Dimension A
2.489 in | 63.2 mm
Specifications Gear Dimension B
2.935 in | 74.5 mm
Specifications Gear Dimension C
.801 in | 20.3 mm
Specifications Gear Dimension D
1.385 in | 35.2 mm
Specifications Gear Opening Shape
Hexagonal
Specifications Gear Opening Size
27 mm
Specifications Gear Part Number
M4327
Specifications Handle Nominal Length A
24 5/8 in | 625 mm
Specifications Handle Part Number
27901
Specifications Material
Cast Malleable Iron
Specifications Model
27
Specifications Number Of Teeth
20
Specifications Series
20
Specifications Standards
US Federal Specification GGG-W-653, Type I, Class 2
Specifications Weight
12 lb | 5.4 kg