Series 20 Model 22 Ratchet Wrench with 1/2" Bore Gear
Series 20 Model 22 Ratchet Wrench with 1/2" Bore Gear
SKU:SER-bba05d
Durable, heavy-duty Model 22 Ratchet Wrench with 1/2" Bore Gear. Meets US Federal Spec. GGG-W-653 Type I, Class 2.
Regular price
$69.99
Regular price
Sale price
$69.99
Unit price
per
Delivery via Maden
Expect your order to arrive on time.
Secure Payments
All orders are processed through a secure, PCI-compliant checkout.



The Series 20 Model 22 Ratchet Wrench is a heavy-duty tool crafted from cast malleable iron, ensuring durability for the most challenging applications. Featuring a reversible control at the handle end and enclosed, replaceable gears, this wrench offers maximum safety and convenience. With a gear opening size of 1/2 inch and meeting US Federal Specification GGG-W-653, Type I, Class 2 standards, this wrench is ideal for government and institutional use.
Product Specifications
Specifications Dimension B
11 1/2 in | 292 mm
Specifications Dimension C
2 in | 50 mm
Specifications Dimension D
1 in | 25 mm
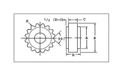
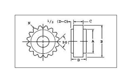
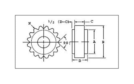
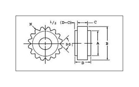
Specifications Gear Dimension A
1.120 in | 28.4 mm
Specifications Gear Dimension B
1.365 in | 34.7 mm
Specifications Gear Dimension C
.650 in | 16.5 mm
Specifications Gear Dimension D
1.028 in | 26.1 mm
Specifications Gear Opening Shape
Bore
Specifications Gear Opening Size
1/2 in
Specifications Gear Part Number
91508
Specifications Handle Nominal Length A
10 1/2 in | 266 mm
Specifications Handle Part Number
22901
Specifications Material
Cast Malleable Iron
Specifications Model
22
Specifications Number Of Teeth
16
Specifications Series
20
Specifications Standards
US Federal Specification GGG-W-653, Type I, Class 2
Specifications Weight
2 lb | 0.91 kg