Series 20 Model 27 Ratchet Wrench with 25mm Bore Gear Opening
Series 20 Model 27 Ratchet Wrench with 25mm Bore Gear Opening
SKU:SER-d32bc1
Heavy-duty ratchet wrench with 25mm gear opening, durable cast malleable iron, meets US Federal Spec GGG-W-653 standards.
Regular price
$89.99
Regular price
Sale price
$89.99
Unit price
per
Delivery via Maden
Expect your order to arrive on time.
Secure Payments
All orders are processed through a secure, PCI-compliant checkout.



The Series 20 Model 27 Ratchet Wrench with 25mm Bore Gear Opening is a heavy-duty tool designed for robust applications. Crafted from durable cast malleable iron, it features a remote reversing mechanism located at the end of the handle for convenient operation. With a knurled knob ensuring maximum safety, this wrench conforms to stringent US Federal Specification GGG-W-653, Type I, Class 2 standards. The bolt-through design and enclosed, replaceable gears ensure longevity and versatility, making it an ideal choice for industrial and institutional settings.
Product Specifications
Specifications Dimension B
26 9/16 in | 675 mm
Specifications Dimension C
3 3/4 in | 95 mm
Specifications Dimension D
1 3/8 in | 35 mm
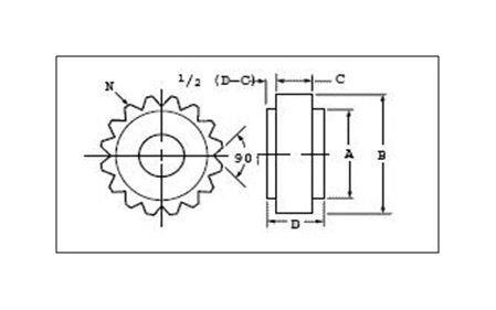
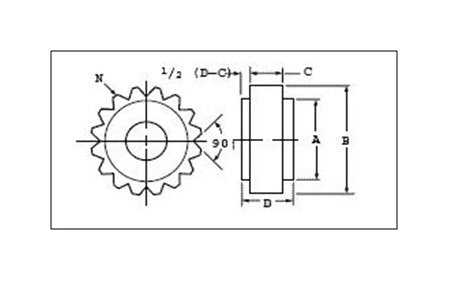
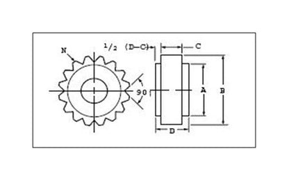
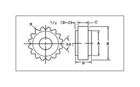
Specifications Gear Dimension A
2.489 in | 63.2 mm
Specifications Gear Dimension B
2.935 in | 74.5 mm
Specifications Gear Dimension C
.801 in | 20.3 mm
Specifications Gear Dimension D
1.385 in | 35.2 mm
Specifications Gear Opening Shape
Bore
Specifications Gear Opening Size
25 mm
Specifications Gear Part Number
M4125
Specifications Handle Nominal Length A
24 5/8 in | 625 mm
Specifications Handle Part Number
27901
Specifications Material
Cast Malleable Iron
Specifications Model
27
Specifications Number Of Teeth
20
Specifications Series
20
Specifications Standards
US Federal Specification GGG-W-653, Type I, Class 2
Specifications Weight
12 lb | 5.4 kg