Series 55 Double Flanged Valves - ANSI Compliant
Series 55 Double Flanged Valves - ANSI Compliant
SKU:VAL-433440
Series 55 Double Flanged Valves - Precision engineered for reliability and durability. Available in various materials. ANSI compliant.
Regular price
$1,599.99
Regular price
Sale price
$1,599.99
Unit price
per
Delivery via Maden
Expect your order to arrive on time.
Secure Payments
All orders are processed through a secure, PCI-compliant checkout.


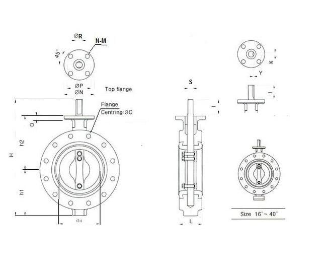
The Series 55 Double Flanged Valves, designed with precision and durability, feature a wide size range (2" - 40") and a variety of body materials including Cast Iron, Ductile Iron, Carbon Steel, Stainless Steel, and Bronze. With options for different disc, stem, seat, and packing materials, these valves offer superior performance and reliability. Compliant with ANSI standards, these valves are ideal for industrial applications requiring efficient flow control and long-term functionality.
Product Specifications
Specifications Available Disc Material
Aluminum Bronze | Coated | Ductile Iron | Stainless Steel
Specifications Available Packing Material
EPDM | NBR | Viton
Specifications Available Seat Material
EPDM | NBR | Neoprene | Silicone | Viton
Specifications Available Stem Material
K Monel | Stainless Steel
Specifications Body Material
Bronze | Carbon Steel | Cast Iron | Ductile Iron | Stainless Steel
Specifications C
863.6 mm
Specifications D
690 mm
Specifications H
1355 mm
Specifications H1
580 mm
Specifications H2
574 mm
Specifications Hole Diameter
1 1/4 in
Specifications L
165 mm
Specifications Number Of Holes
28
Specifications O
35 mm
Specifications Size
700 - 28"
Specifications Standard
ANSI
Specifications Stem I
120 mm
Specifications Stem K
10 mm
Specifications Stem R
70 mm
Specifications Stem Y
5 mm
Specifications Top Flange To Iso 5211 Flange Type Iso 5211
F25
Specifications Top Flange To Iso 5211 M Diameter
18.5 mm
Specifications Top Flange To Iso 5211 N Number Of Tap Holes
6
Specifications Top Flange To Iso 5211 U
230 mm
Specifications Top Flange To Iso 5211 V
190 mm
Specifications Weight
539 kg