SRB Series 5/8 Inch Tube Bulkhead Reducer
SRB Series 5/8 Inch Tube Bulkhead Reducer
SKU:SRB-b8dd92
Precision-engineered 5/8" Tube Bulkhead Reducer for secure, leak-free connections in industrial applications.
Regular price
$29.99
Regular price
Sale price
$29.99
Unit price
per
Delivery via Maden
Expect your order to arrive on time.
Secure Payments
All orders are processed through a secure, PCI-compliant checkout.


The SRB Series 5/8 Inch Tube Bulkhead Reducer is a precision-engineered fitting designed for seamless connections in institutional and industrial applications. Crafted from high-quality stainless steel tubing, fully annealed to meet ASTM standards, this reducer ensures leak-free performance and exceptional reliability. Engineered for compatibility with various industry-leading tube fittings, this reducer is ideal for gas systems and high-temperature applications while maintaining precision and ease of maintenance. Tested in vacuum, Cryogenic, and extreme temperatures, this reducer guarantees durable performance even in the most demanding environments. Ensure secure and compliant installations with the SRB Series 5/8 Inch Tube Bulkhead Reducer.
Product Specifications
Compatibility Compatibility
SUPERLOK® Tube fittings are designed and manufactured to be interchangeable with other Tube Fittings manufactured by other industry leading manufacturers. When required compatibility testing can be performed by an independent third party and the reports can be provided. Please consult BMT(SUPERLOK®) sales representative for compatibility.
Gas System Application Gas System Application
SUPERLOK® Tube Fittings are appropriate for Gas Systems, but the implementation of certain standards mentioned below should be adhered to just as in other systems.Tubing hardness must be less than that of the ferrules.Tubing should be free of surface imperfections, defects and round in shape.Refer to Table 2 on page 14 for selection of the appropriate wall thickness. (Only shaded areas should be selected for Gas Systems)Tubing ends must be cut squarely and perpendicular to the center-line of the tubing. After the tubing is cut it must be deburred on both the inside and outside with a High quality fully sharpened deburring tool.Follow the SUPERLOK® Installation Instructions from pages 10 to 11 in the catalog.Do not attempt to bend the tubing after a fitting has been Installed in a fixed position.Tubing Systems should be installed to allow for adequate expansion and contraction as well as ease of maintenance.
Hardness Limitation Hardness Limitation
High quality stainless steel tubing that is fully annealed; Seamless or Welded per ASTM A269, A213 or equivalent should be used with SUPERLOK® Tube fittings. The tubing must be a maximum hardness of HRB 90 or less on the Rockwell Scale, however HRB 80 is more suitable for bending and offers a greater difference in hardness to the ferrules. This difference in hardness offers more ease in assembly and better interaction between the ferrules and the tubing.
Note Note
Dimensions and Drawings are for reference only and are subject to change without prior notice.Sizes, pressure classes, and end connections not listed are available upon request.Dimensions shown with SUPERLOK® nuts finger-tight, where applicable.
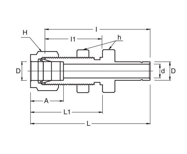
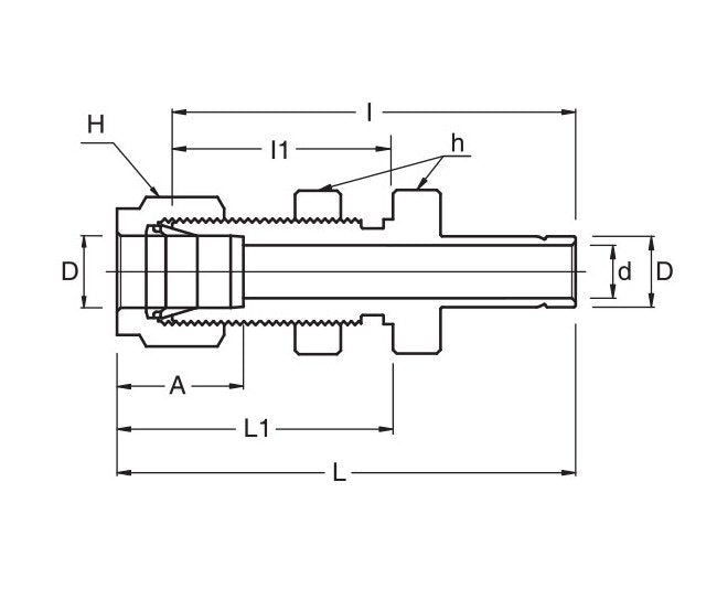
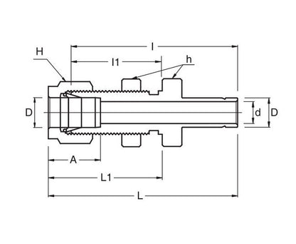
Technical Specs Dimension A
22.86 mm
Technical Specs Dimension I
62.73 mm
Technical Specs Dimension I1
31.75 mm
Technical Specs Dimension L
72.89 mm
Technical Specs Dimension L1
41.91 mm
Technical Specs Maximum Panel Thickness
12.7 mm
Technical Specs Minimum Dimension D
9.4 mm
Technical Specs Panel Hole Drill Size
19.44 mm
Technical Specs Tube Outside Diameter D
1/2 in
Technical Specs Width Across Flat H
7/8 in
Vacuum Cryogenic And High Temperature Applications Vacuum Cryoge
SUPERLOK® Tube Fittings have been tested in vacuum, Cryogenic and High Temperatures insuring repeatable and reliable performance in the severest of applications.