Stainless Steel Double Shank Balls MS20663
Stainless Steel Double Shank Balls MS20663
SKU:MIL-a010e8
High-quality stainless steel double shank balls designed for military applications, compliance with Mil Spec MS20663-C10
Regular price
$24.99
Regular price
Sale price
$24.99
Unit price
per
Delivery via Maden
Expect your order to arrive on time.
Secure Payments
All orders are processed through a secure, PCI-compliant checkout.

The Stainless Steel Double Shank Balls MS20663 are designed to meet the high standards required for military applications. Compliant with Mil Spec MS20663-C10, these double shank balls are crafted for durability and precision. With dimensions carefully engineered for optimal performance and resilience, they are ideal for applications where wire rope or aircraft cable crimping is necessary. The stringent adherence to specifications ensures reliability and safety in critical operations.
Product Specifications
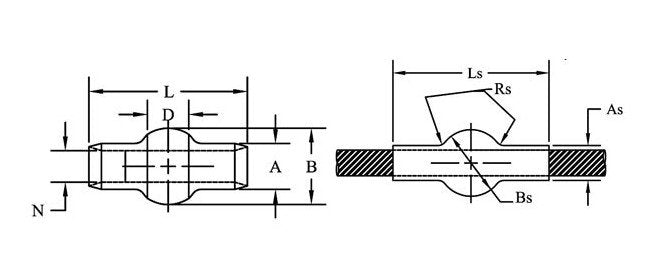
Specifications As Diam
0.413
Specifications A Diam
0.475
Specifications Bs Spher Diam
0.694
Specifications B Diam
0.763
Specifications Cable Dia
5/16
Specifications D
0.4145
Specifications Lbspc Before Swaging
0.043
Specifications Ls Ref
1.875
Specifications L 0075
1.664
Specifications Mil Spec
MS20663-C10
Specifications N Diam
0.328
Specifications Rs Max Rad
0.046
CAGE
0T9L4
NAICS
332510
PSC
4030