Stainless Steel Double Shank Balls MS20663-C3 for Wire Rope, 3/32" Cable Dia
Stainless Steel Double Shank Balls MS20663-C3 for Wire Rope, 3/32" Cable Dia
SKU:MIL-ca3f6c
Premium stainless steel double shank balls for secure wire rope connections. Compliant with MS20663-C3 Mil Spec for military and aerospace use.
Regular price
$14.99
Regular price
Sale price
$14.99
Unit price
per
Delivery via Maden
Expect your order to arrive on time.
Secure Payments
All orders are processed through a secure, PCI-compliant checkout.
Enhance your wire rope or aircraft cable with these stainless steel double shank balls. Designed for easy crimping, meeting stringent MS20663-C3 Mil Spec standards. Precisely engineered dimensions ensure secure connections. Enhance durability and performance in military, aerospace, and industrial applications.

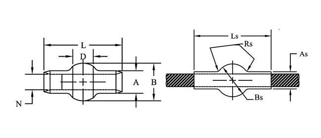
Product Specifications
Specifications As Diam
0.143
Specifications A Diam
0.163
Specifications Bs Spher Diam
0.253
Specifications B Diam
0.277
Specifications Cable Dia
3/32
Specifications D
0.152
Specifications Lbspc Before Swaging
0.0032
Specifications Ls Ref
0.578
Specifications L 0075
0.525
Specifications Mil Spec
MS20663-C3
Specifications N Diam
0.104
Specifications Rs Max Rad
0.019
CAGE
0T9L4
NAICS
332510
PSC
4030