Stainless Steel Single Shank Balls MS20664 for Military Specifications
Stainless Steel Single Shank Balls MS20664 for Military Specifications
SKU:MIL-e55fe6
Enhance wire ropes with precision using Stainless Steel Single Shank Balls MS20664, meeting military specifications for secure machine-swaged connections.
Regular price
$24.99
Regular price
Sale price
$24.99
Unit price
per
Delivery via Maden
Expect your order to arrive on time.
Secure Payments
All orders are processed through a secure, PCI-compliant checkout.



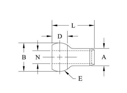
Enhance your wire rope or aircraft cable with precision and durability using our Stainless Steel Single Shank Balls MS20664. Compliant with military specifications, these balls are designed for machine swaging, ensuring secure connections. With dimensions meeting rigorous standards, including A Diam., B Diam., Cs, Rs, and more, these balls provide reliable performance and longevity for your applications.
Product Specifications
Specifications As Diam
0.382
Specifications A Diam
0.444
Specifications Bs Spher Diam
0.632
Specifications B Diam
0.699
Specifications Cable Dia
9/32
Specifications Cs
0.632
Specifications D
0.378
Specifications E Rad Ref
0.275
Specifications L
1.078
Specifications Material
SST304
Specifications Mil Spec
MS20664-C9
Specifications N Diam
0.297
Specifications Rs Max Rad
0.046
CAGE
0T9L4
NAICS
332510
PSC
4030