Stainless Steel Single Shank Balls MS20664 - Mil Spec SST304
Stainless Steel Single Shank Balls MS20664 - Mil Spec SST304
SKU:MIL-94c22a
Enhance wire ropes with Mil Spec Stainless Steel Single Shank Balls MS20664 for secure and precise cable fits. Ideal for military and industrial applications.
Regular price
$39.99
Regular price
Sale price
$39.99
Unit price
per
Delivery via Maden
Expect your order to arrive on time.
Secure Payments
All orders are processed through a secure, PCI-compliant checkout.



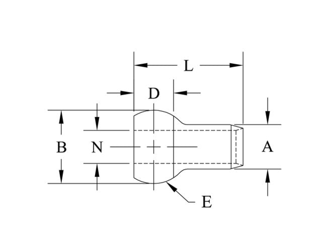
Upgrade your wire ropes or aircraft cables with precision-engineered Stainless Steel Single Shank Balls MS20664. Conforming to Mil Spec MS20664-C2, these balls ensure a secure fit with cable diameters of 1/16''. Featuring optimal dimensions pre and post-swaging, including A, B, D, E Rad Ref, L, N for seamless integration. Designed for military-grade durability and performance.
Product Specifications
Specifications As Diam
0.112
Specifications A Diam
0.132
Specifications Bs Spher Diam
0.19
Specifications B Diam
0.212
Specifications Cable Dia
1/16
Specifications Cs
0.156
Specifications D
0.114
Specifications E Rad Ref
0.083
Specifications L
0.269
Specifications Material
SST304
Specifications Mil Spec
MS20664-C2
Specifications N Diam
0.073
Specifications Rs Max Rad
0.014
CAGE
0T9L4
NAICS
332510
PSC
4030