Strainsert TLN Internal Threads Tension Link
Strainsert TLN Internal Threads Tension Link
SKU:TEN-d87fbc
High-performance TLN Internal Threads Tension Link for precise force measurement in diverse applications.
Regular price
$289.99
Regular price
Sale price
$289.99
Unit price
per
Delivery via Maden
Expect your order to arrive on time.
Secure Payments
All orders are processed through a secure, PCI-compliant checkout.



The Strainsert TLN Internal Threads Tension Link is a high-performance force sensing solution designed to meet the rigorous demands of hardware installations across various applications. Constructed with precision from Aluminum Alloy 7075-T6 with a Hard Coat Finish, this tension link offers a load capacity of 3 KIPS. Featuring male threads, female threads, or a combination of both, and equipped with a full bridge 350 Ohm load cell, this strain gauge sensor ensures accurate and reliable force measurement. With a safety factor of 4.4, the TLN Tension Link guarantees precision and durability in force sensing applications, with overload protection up to 150% without zero shift.
Product Specifications
Electrical Specifications Cable
#20(26x34) AWG., rubber insulation, shielded, rubber jacket, 4-Conductor (Standard Cable)
Electrical Specifications Excitation
Red
Electrical Specifications Function
Wire Code
Electrical Specifications Mating Plug
PT06A-10-6S (SR)
Electrical Specifications Receptacle
PT02H-10-6P
Electrical Specifications Signal
Green
General Information 0
Strainsert Tension Links are superior performance sensors, for use in weighing and force measuring applications.Its sensing element consists of a strain gage bridge circuit internally installed in a small hole along its longitudinal axis. This unique arrangement provides a most effective means for the protection and sealing of the strain gage circuit while minimizing the adverse effects of extraneous torsional and flexural loads.Tension Links can be modified for underwater use.
Performance Specs Bridge
Full bridge 350 Ohm (Nominal)
Performance Specs Excitation
12 V AC (Maximum) | 12 V DC (Maximum)
Performance Specs Hysteresis
±0.15% FS
Performance Specs Non Linearity
0.25% FS
Performance Specs Non Repeatability
0.10% FS
Performance Specs Output Signal
2-mV/V (Nominal) | 2-mV/V (Standardized Output)
Performance Specs Overload Without Zero Shift
150%
Performance Specs Static Overload
150% without zero or open shift
Performance Specs Temp Effects On Output
0.003% load / °F (Nominal)
Performance Specs Temp Effects On Zero
0.003% FS / °F (Nominal)
Performance Specs Zero Balance
±2% FS (Nominal)
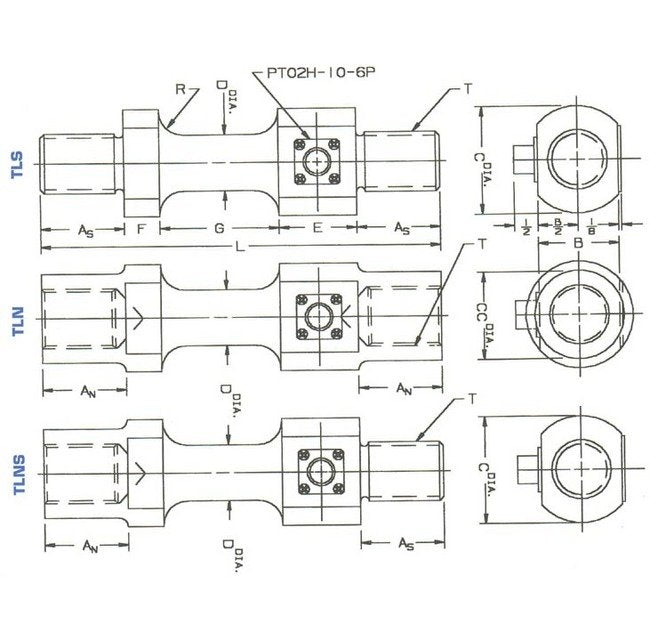
Specifications An Length
2 in
Specifications B Width
1-1/2 in
Specifications Cc Diameter
1-1/4 in
Specifications Connector Type
Connector | Permanently Attached Cable
Specifications C Diameter
2 in
Specifications Dimensional Drawing
TLS, TLN and TLNS Series, Force Sensing Tension Links with Threaded Ends
Specifications D Diameter
0.608 in
Specifications E Length
1-1/2 in
Specifications F Length
5/8 in
Specifications G Length
1-3/4 in
Specifications Load Capacity
3 KIPS
Specifications L Overall Length
7-7/8 in
Specifications Material
Aluminum Alloy 7075-T6, Hard Coat Finish: Rockwell C-60
Specifications R Radius
1/2 in
Specifications Safety Factor
4.4
Specifications T Thread Size
7/8-14NF
Specifications Weight
0.8 lb