Sure Flow 16" Launcher with Flange Connections
Sure Flow 16" Launcher with Flange Connections
SKU:BAR-0e8618
Custom-designed Sure Flow launcher with Flange Connections for high-pressure pipeline pigging applications.
Regular price
$2,399.99
Regular price
Sale price
$2,399.99
Unit price
per
Delivery via Maden
Expect your order to arrive on time.
Secure Payments
All orders are processed through a secure, PCI-compliant checkout.




The Sure Flow 16" Launcher with Flange Connections is a custom-designed pipeline vessel fabricated to the highest industry standards in Stainless Steel. This launcher operates at 720 psi at 100°F WOG temperature and features a Quick Open T-Bolt Closure with Hinge, ASME Section VIII Div 1 design, and various optional features for customization, meeting ASME Class 150 standards and ISO 9001:2008 certification.
Product Specifications
Additional Information Additional Information
Pipeline Inspection Gauges or Pigs are tools that are inserted into and move through the pipeline, propelled by the flow of the fluid. Pigs perform many tasks including cleaning, inspection, coating the pipeline interior and separating batches of different fluids.A Launcher is located at the upstream end of the pipeline to launch the Pig into the pipeline.The design of the Launcher will depend on the Pig and pipeline design conditions. Launchers and Receivers can have many options. Sure Flow will custom design your Launcher to work with your conditions and requirements.Sure Flow offers simple barrel Launchers through to complete skid mounted units that include Actuated Valves, Instrumentation, Pig Signalers and Control Systems.
Construction Construction
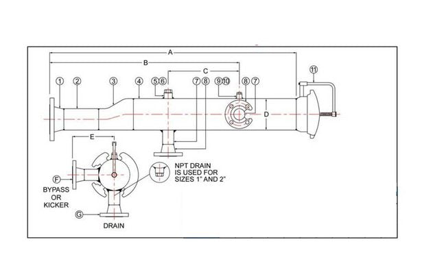
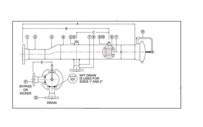
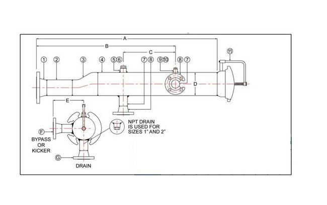
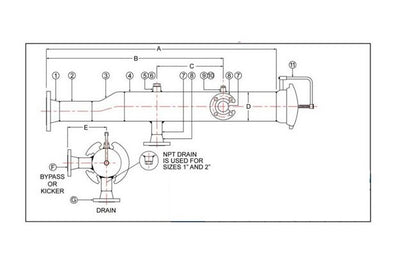
Item - 1Description - Weld Neck FlangeItem - 2Description - PipeItem - 3Description - Eccentric ReducerItem - 4Description - PipeItem - 5Description - Pipe PlugItem - 6Description - Half CouplingItem - 7Description - PipeItem - 8Description - Weld Neck FlangeItem - 9Description - Pipe PlugItem - 10Description - Half CouplingItem - 11Description - Quick Open Cover
Dimensions Dimension A
90 in
Dimensions Dimension B
64 in
Dimensions Dimension C
20 in
Dimensions Dimension D
18 in
Dimensions Dimension E
17 in
Dimensions Dimension F
8 in
Dimensions Dimension G
4 in
Dimensions Size
16 in
Industry Standardscertifications Industry Standardscertification
American Society of Mechanical Engineers (ASME) Class 150 | International Organization for Standardization (ISO) 9001:2008 (Intertek)
Note Note
Higher ASME pressure ratings available Larger sizes availableManufacturer reserves the right to modify dimensions, materials, or design. Consult factory for certification.
Operating Pressures And Temperatures Pressure At 100 Degree Fahr
720 psi
Operating Pressures And Temperatures Pressure At 422 Degree Fahr
300 psi
Optional Features Optional Features
Sure Flow Launchers are manufactured to customer specifications with options including:Stainless Steel or Alloy Materials Design Codes available: ASME B31.3 or ASME B31.4 or CSA Z662 ASME "U" Code Stamp and National Board "NB" Mark Available Cam Lock Handles or Breakover Wrench Style Bolts Cover Davit Pressure Gauge / Switch Pig Signaler Support Legs or Skirt Weld Neck Flanged Connections Alternate Elastomer Seals to suit various applications Lifting Lugs for Installation Additional Ancillary Connections Special Coatings
Specifications Material
Stainless Steel
Specifications Prefix Size
1600
Standard Features Standard Features
Sure Flow Launchers are manufactured to customer specifications with standard features including: Carbon Steel Body NPT Vent, Drain, Pressure Gauge, Pig Signal Connections Quick Open T-Bolt Closure with Hinge Designed to ASME Section VIII Div 1 Designed for Operating Pressure of 285 psi at 100 ºF