Sure Flow 28 Inch Launcher with Flange Connections
Sure Flow 28 Inch Launcher with Flange Connections
SKU:BAR-57b491
Sure Flow 28 Inch Launcher: Stainless Steel, 720 psi at 100°F, ASME Design, Customizable Options
Regular price
$1,899.99
Regular price
Sale price
$1,899.99
Unit price
per
Delivery via Maden
Expect your order to arrive on time.
Secure Payments
All orders are processed through a secure, PCI-compliant checkout.




The Sure Flow 28 Inch Launcher with Flange Connections is a high-quality product designed for pipeline pigging operations. Constructed from durable Stainless Steel, this launcher operates at 720 psi pressure at 100°F for water, oil, and gas applications. It features a quick open T-bolt closure, ASME Section VIII Div 1 design, and comes with standard features like NPT vent, drain, and pressure gauge. With customizable options including material choices and design codes, Sure Flow ensures your specific requirements are met, backed by industry standards such as ASME Class 150 and ISO 9001:2008.
Product Specifications
Additional Information Additional Information
Pipeline Inspection Gauges or Pigs are tools that are inserted into and move through the pipeline, propelled by the flow of the fluid. Pigs perform many tasks including cleaning, inspection, coating the pipeline interior and separating batches of different fluids.A Launcher is located at the upstream end of the pipeline to launch the Pig into the pipeline.The design of the Launcher will depend on the Pig and pipeline design conditions. Launchers and Receivers can have many options. Sure Flow will custom design your Launcher to work with your conditions and requirements.Sure Flow offers simple barrel Launchers through to complete skid mounted units that include Actuated Valves, Instrumentation, Pig Signalers and Control Systems.
Construction Construction
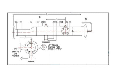
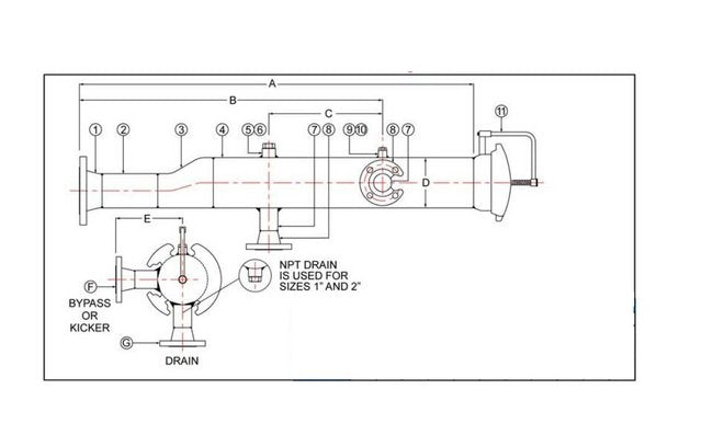
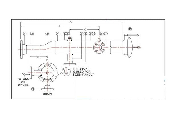
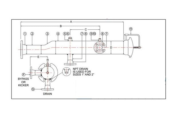
Item - 1Description - Weld Neck FlangeItem - 2Description - PipeItem - 3Description - Eccentric ReducerItem - 4Description - PipeItem - 5Description - Pipe PlugItem - 6Description - Half CouplingItem - 7Description - PipeItem - 8Description - Weld Neck FlangeItem - 9Description - Pipe PlugItem - 10Description - Half CouplingItem - 11Description - Quick Open Cover
Dimensions Dimension A
110 in
Dimensions Dimension B
74 in
Dimensions Dimension C
28 in
Dimensions Dimension D
30 in
Dimensions Dimension E
26 in
Dimensions Dimension F
12 in
Dimensions Dimension G
6 in
Dimensions Size
28 in
Industry Standardscertifications Industry Standardscertification
American Society of Mechanical Engineers (ASME) Class 150 | International Organization for Standardization (ISO) 9001:2008 (Intertek)
Note Note
Higher ASME pressure ratings available Larger sizes availableManufacturer reserves the right to modify dimensions, materials, or design. Consult factory for certification.
Operating Pressures And Temperatures Pressure At 100 Degree Fahr
720 psi
Operating Pressures And Temperatures Pressure At 422 Degree Fahr
300 psi
Optional Features Optional Features
Sure Flow Launchers are manufactured to customer specifications with options including:Stainless Steel or Alloy Materials Design Codes available: ASME B31.3 or ASME B31.4 or CSA Z662 ASME "U" Code Stamp and National Board "NB" Mark Available Cam Lock Handles or Breakover Wrench Style Bolts Cover Davit Pressure Gauge / Switch Pig Signaler Support Legs or Skirt Weld Neck Flanged Connections Alternate Elastomer Seals to suit various applications Lifting Lugs for Installation Additional Ancillary Connections Special Coatings
Specifications Material
Stainless Steel
Specifications Prefix Size
2800
Standard Features Standard Features
Sure Flow Launchers are manufactured to customer specifications with standard features including: Carbon Steel Body NPT Vent, Drain, Pressure Gauge, Pig Signal Connections Quick Open T-Bolt Closure with Hinge Designed to ASME Section VIII Div 1 Designed for Operating Pressure of 285 psi at 100 ºF