Sure Flow 8-inch Launcher with Flange Connections
Sure Flow 8-inch Launcher with Flange Connections
SKU:BAR-9117c6
Enhance pipeline operations with the Sure Flow 8-inch Launcher, built to ASME standards for peak performance.
Regular price
$1,699.00
Regular price
Sale price
$1,699.00
Unit price
per
Delivery via Maden
Expect your order to arrive on time.
Secure Payments
All orders are processed through a secure, PCI-compliant checkout.




The Sure Flow 8-inch Launcher with Flange Connections is a robust solution designed to streamline pipeline operations. Crafted with precision from Stainless Steel, this launcher withstands pressure up to 1440 psi at 100°F, making it ideal for water, oil, and gas applications. Engineered to ASME standards and customizable to meet your specific needs, this launcher features a Carbon Steel body, NPT Vent, Drain, and Pressure Gauge for efficient pigging operations. With optional enhancements like Stainless Steel or Alloy materials, ASME code stamps, and various connection options, the Sure Flow Launcher ensures optimal performance and compliance with industry standards.
Product Specifications
Additional Information Additional Information
Pipeline Inspection Gauges or Pigs are tools that are inserted into and move through the pipeline, propelled by the flow of the fluid. Pigs perform many tasks including cleaning, inspection, coating the pipeline interior and separating batches of different fluids.A Launcher is located at the upstream end of the pipeline to launch the Pig into the pipeline.The design of the Launcher will depend on the Pig and pipeline design conditions. Launchers and Receivers can have many options. Sure Flow will custom design your Launcher to work with your conditions and requirements.Sure Flow offers simple barrel Launchers through to complete skid mounted units that include Actuated Valves, Instrumentation, Pig Signalers and Control Systems.
Construction Construction
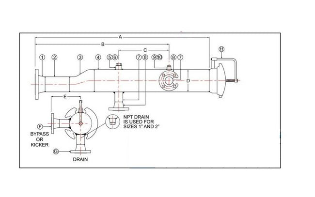
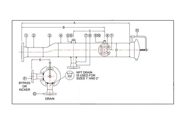
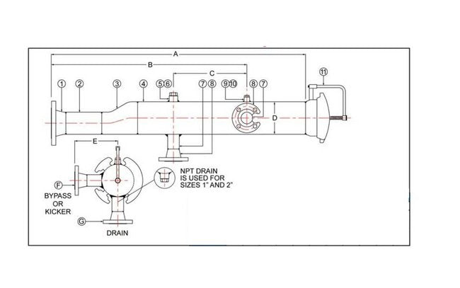
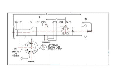
Item - 1Description - Weld Neck FlangeItem - 2Description - PipeItem - 3Description - Eccentric ReducerItem - 4Description - PipeItem - 5Description - Pipe PlugItem - 6Description - Half CouplingItem - 7Description - PipeItem - 8Description - Weld Neck FlangeItem - 9Description - Pipe PlugItem - 10Description - Half CouplingItem - 11Description - Quick Open Cover
Dimensions Dimension A
58 in
Dimensions Dimension B
44 in
Dimensions Dimension C
18 in
Dimensions Dimension D
10 3/4 in
Dimensions Dimension E
13 in
Dimensions Dimension F
4 in
Dimensions Dimension G
2 in
Dimensions Size
8 in
Industry Standardscertifications Industry Standardscertification
American Society of Mechanical Engineers (ASME) Class 150 | International Organization for Standardization (ISO) 9001:2008 (Intertek)
Note Note
Higher ASME pressure ratings available Larger sizes availableManufacturer reserves the right to modify dimensions, materials, or design. Consult factory for certification.
Operating Pressures And Temperatures Pressure At 100 Degree Fahr
1440 psi
Operating Pressures And Temperatures Pressure At 489 Degree Fahr
600 psi
Optional Features Optional Features
Sure Flow Launchers are manufactured to customer specifications with options including:Stainless Steel or Alloy Materials Design Codes available: ASME B31.3 or ASME B31.4 or CSA Z662 ASME "U" Code Stamp and National Board "NB" Mark Available Cam Lock Handles or Breakover Wrench Style Bolts Cover Davit Pressure Gauge / Switch Pig Signaler Support Legs or Skirt Weld Neck Flanged Connections Alternate Elastomer Seals to suit various applications Lifting Lugs for Installation Additional Ancillary Connections Special Coatings
Specifications Material
Stainless Steel
Specifications Prefix Size
0800
Standard Features Standard Features
Sure Flow Launchers are manufactured to customer specifications with standard features including: Carbon Steel Body NPT Vent, Drain, Pressure Gauge, Pig Signal Connections Quick Open T-Bolt Closure with Hinge Designed to ASME Section VIII Div 1 Designed for Operating Pressure of 285 psi at 100 ºF