Type I Strap End for Military Applications
Type I Strap End for Military Applications
SKU:MIL-691730
Premium Type I Strap End for secure crimping on wire ropes or aircraft cables, meeting stringent military standards.
Regular price
$24.99
Regular price
Sale price
$24.99
Unit price
per
Delivery via Maden
Expect your order to arrive on time.
Secure Payments
All orders are processed through a secure, PCI-compliant checkout.


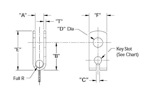
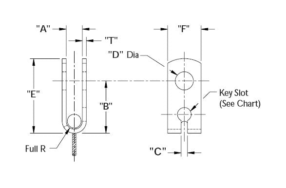
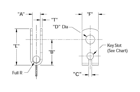
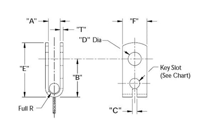
The Type I Strap End is meticulously crafted to securely crimp onto wire ropes or aircraft cables, ensuring exceptional durability and reliability in military scenarios. With dimensions A: .34, B: .88, C: .2, D: .265, E: 1.19, F: .63, and a convenient Key Hole Slot feature, this product meets NAS 1435-E and NAS 1435-K specifications. Experience peace of mind knowing this strap end excels in both functionality and compliance.
Product Specifications
Specifications A
.34
Specifications B
.88
Specifications Ball Size
3/16
Specifications C
.2
Specifications D
.265
Specifications E
1.19
Specifications F
.63
Specifications Key Hole Slot
Yes
Specifications T
.090
CAGE
0T9L4
NAICS
332510
PSC
4030