Unilok Brass Reducing Union - 5/8 in x 3/8 in
Unilok Brass Reducing Union - 5/8 in x 3/8 in
SKU:HIG-903975
Premium Unilok Brass Reducing Union for seamless 5/8 in to 3/8 in connections. Durable, corrosion-resistant construction.
Regular price
$19.60
Regular price
Sale price
$19.60
Unit price
per
Delivery via Maden
Expect your order to arrive on time.
Secure Payments
All orders are processed through a secure, PCI-compliant checkout.


The Unilok Brass Reducing Union offers a reliable tube fitting solution for fluid systems. Crafted from high-quality brass, this fitting ensures durability and corrosion resistance. With a straight shape and precise dimensions, it enables seamless connections between 5/8 inch and 3/8 inch tube fittings. Designed to meet stringent industry standards, it guarantees leak-free performance and long-term reliability in various applications.
Product Specifications
Specifications Ac Rated Capacitors Operating Frequency
50 to 400 Hz
Specifications Capacitance
1.0 µF
Specifications Case And Terminal Material
Brass with electro tin-lead reflow finish
Specifications Current Rating
0 to 140 A
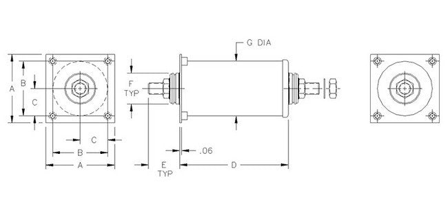
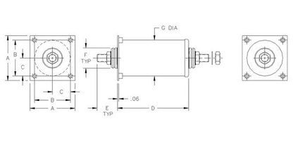
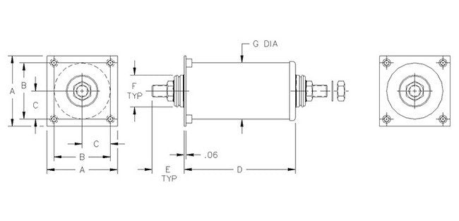
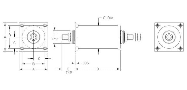
Specifications Dimension A
2.00 in
Specifications Dimension B
1.500 in
Specifications Dimension C
0.750 in
Specifications Dimension D
2.00 in
Specifications Dimension E
1.00 in
Specifications Dimension F
1.00 in
Specifications Dimension G
1.50 in
Specifications Dimension H
1.12 in
Specifications Dwv For Ac Rated Capacitors
4.2 x the rated voltage (VDC)
Specifications Dwv For Dc Rated Capacitors
2 x the rated voltage (VDC)
Specifications Insulation Resistance
> 1000 MΩ @ 100 VDC
Specifications Maximum Torque
100 lb·in
Specifications Operating Temperature
-55 to +85 ºC
Specifications Option
Copper threaded terminal for 2X the current rating
Specifications Termination
3/8-16-UNC
Specifications Tolerance
± 10 %
Specifications Unit Mounting
10-32-UNF
Specifications Voltage Rating Ac
125 V