Unilok Brass Reducing Union Fitting, 3/4 x 5/8 Tube, Straight
Unilok Brass Reducing Union Fitting, 3/4 x 5/8 Tube, Straight
SKU:HIG-4e4cf3
Premium Unilok Brass Reducing Union Fitting for secure connections in fluid systems.
Regular price
$26.12
Regular price
Sale price
$26.12
Unit price
per
Delivery via Maden
Expect your order to arrive on time.
Secure Payments
All orders are processed through a secure, PCI-compliant checkout.


Upgrade your fluid systems with the Unilok Brass Reducing Union Fitting. Precision-engineered from high-quality brass material, this fitting ensures reliable performance. With 3/4-inch and 5/8-inch tube fitting connections, it offers a secure and leak-free solution. The straight shape design and compact dimensions make installation easy. Compliant with industry standards, this fitting is ideal for demanding industrial and institutional applications.
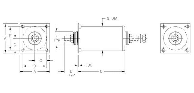
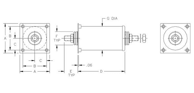
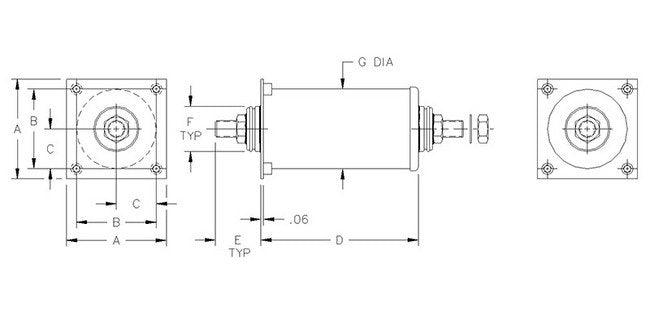
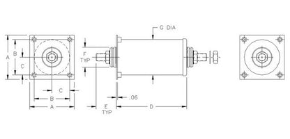
Product Specifications
Specifications Ac Rated Capacitors Operating Frequency
50 to 400 Hz
Specifications Capacitance
0.5 µF
Specifications Case And Terminal Material
Brass with electro tin-lead reflow finish
Specifications Current Rating
0 to 250 A
Specifications Dimension A
2.00 in
Specifications Dimension B
1.500 in
Specifications Dimension C
0.750 in
Specifications Dimension D
2.25 in
Specifications Dimension E
1.75 in
Specifications Dimension F
1.06 in
Specifications Dimension G
1.50 in
Specifications Dimension H
1.18 in
Specifications Dwv For Ac Rated Capacitors
4.2 x the rated voltage (VDC)
Specifications Dwv For Dc Rated Capacitors
2 x the rated voltage (VDC)
Specifications Insulation Resistance
> 1000 MΩ @ 100 VDC
Specifications Maximum Torque
250 lb·in
Specifications Operating Temperature
-55 to +85 ºC
Specifications Option
Copper threaded terminal for 2X the current rating
Specifications Termination
1/2-13-UNC
Specifications Tolerance
± 10 %
Specifications Unit Mounting
10-32-UNF
Specifications Voltage Rating Dc
100 V