Wilkerson M30 Coalescing Filter - 1/2" NPT
Wilkerson M30 Coalescing Filter - 1/2" NPT
SKU:SSP-077cfa
Achieve air purity excellence with the Wilkerson M30 Coalescing Filter - 0.01 micron filtration, Grade B, B1 & C elements. Ideal for critical applications.
Regular price
$749.69
Regular price
Sale price
$749.69
Unit price
per
Delivery via Maden
Expect your order to arrive on time.
Secure Payments
All orders are processed through a secure, PCI-compliant checkout.


The Wilkerson M30 Coalescing Filter is meticulously engineered for impeccable solid particle, water, and oil aerosol removal down to an exceptional 0.01 micron level. With a target of attaining air purity with a maximum remaining oil content as low as 0.01ppm, this filter operates flawlessly at 70°F (21°C) under 100 PSIG (6.9 bar g) pressure. It comes with Grade B and B1 filter elements for standard air coalescing needs and Grade C for ultra-fine particulate removal, ensuring superior air quality for critical applications like air control circuits, electronics, and healthcare sectors.
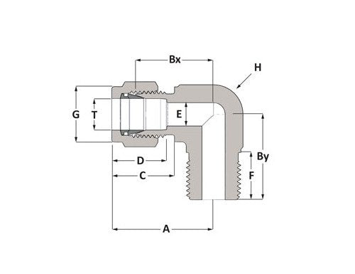
Product Specifications
Dimensions A
36.0 mm
Dimensions Bx
25.9 mm
Dimensions By
28.2 mm
Dimensions C
22.0 mm
Dimensions D
22.8 mm
Dimensions E
9.5 mm
Dimensions F
14.4 mm
Dimensions G
13/16 in | 21 mm
Dimensions H
13/16 in | 21 mm
Dimensions P
3/8 in
Dimensions T
12 mm
Specifications Body Material
316 SS
Specifications Brand Series
Duolok
Specifications Connection 1 Size
12 mm
Specifications Connection 1 Type
Tube Fitting
Specifications Connection 2 Size
3/8 in
Specifications Connection 2 Type
Male BSPT
Specifications End Connections
TF x Male BSPT
Specifications Handle Color
0
Specifications Handle Type
0
Specifications List Price
33.97 USD
Specifications Production Category
1
Specifications Shape
Elbow
Category 6
Duolok® Tube Fittings