Wilkerson M30 Coalescing Filter - 1" In-Line Filtration
Wilkerson M30 Coalescing Filter - 1" In-Line Filtration
SKU:SSP-2979cd
Enhance air quality with the Wilkerson M30 Coalescing Filter - 1" precision filtration for critical air systems.
Regular price
$189.99
Regular price
Sale price
$189.99
Unit price
per
Delivery via Maden
Expect your order to arrive on time.
Secure Payments
All orders are processed through a secure, PCI-compliant checkout.


The Wilkerson M30 Coalescing Filter is expertly engineered to eliminate solid particles, water, and oil aerosols as small as 0.01 micron. With a maximum oil content in filtered air as low as 0.01ppm, this filter ensures exceptional air quality. Choose from Grade B or B1 elements for standard applications or Grade C for ultra-fine particulate removal. Ideal for protecting critical components in air systems such as valves, cylinders, and air control circuits. Experience superior air quality with Wilkerson's precision engineering.
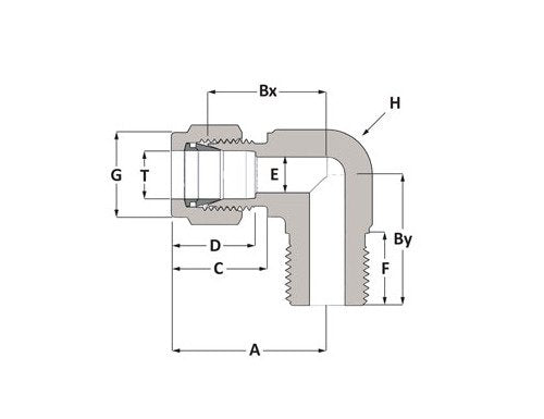
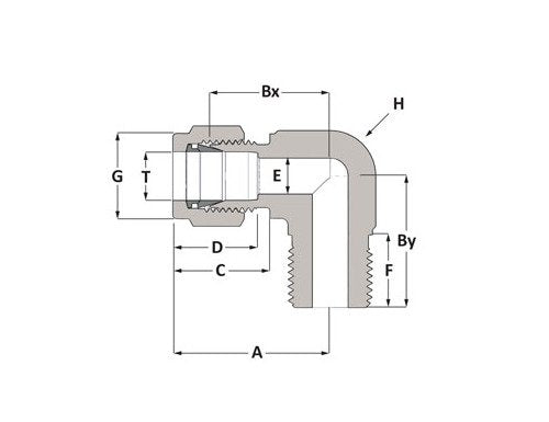
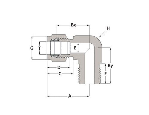
Product Specifications
Dimensions A
38.0 mm
Dimensions Bx
27.9 mm
Dimensions By
30.2 mm
Dimensions C
22.0 mm
Dimensions D
24.4 mm
Dimensions E
9.5 mm
Dimensions F
14.4 mm
Dimensions G
15/16 in | 24 mm
Dimensions H
15/16 in | 24 mm
Dimensions P
3/8 in
Dimensions T
16 mm
Specifications Body Material
316 SS
Specifications Brand Series
Duolok
Specifications Connection 1 Size
16 mm
Specifications Connection 1 Type
Tube Fitting
Specifications Connection 2 Size
3/8 in
Specifications Connection 2 Type
Male BSPT
Specifications End Connections
TF x Male BSPT
Specifications Handle Color
0
Specifications Handle Type
0
Specifications List Price
44.62 USD
Specifications Production Category
1
Specifications Shape
Elbow
Category 6
Duolok® Tube Fittings