Wilkerson M30 Coalescing Filter - 3/4" In-Line Filtration
Wilkerson M30 Coalescing Filter - 3/4" In-Line Filtration
SKU:SSP-7702af
Efficiently remove particles, water & oil aerosols with Wilkerson M30 Coalescing Filter. Ensures high-quality air output & meets diverse industrial needs.
Regular price
$705.37
Regular price
Sale price
$705.37
Unit price
per
Delivery via Maden
Expect your order to arrive on time.
Secure Payments
All orders are processed through a secure, PCI-compliant checkout.


The Wilkerson M30 Coalescing Filter is engineered to efficiently remove solid particles, water, and oil aerosols as small as 0.01 micron, ensuring clean and high-quality air output. With a maximum remaining oil content of 0.01ppm, this filter offers exceptional performance at 100 PSIG. Choose between Grade B and B1 filter elements for general air quality applications or opt for Grade C elements for ultra-fine particulate removal and high-quality air needs. Ideal for safeguarding critical air control circuits, flow controllers, and sensitive equipment in industries like electronics, healthcare, and food processing.
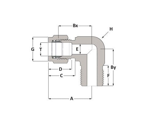
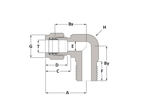
Product Specifications
Dimensions A
1.42 in
Dimensions Bx
1.02 in
Dimensions By
1.30 in
Dimensions C
0.86 in
Dimensions D
0.90 in
Dimensions E
0.41 in
Dimensions F
0.75 in
Dimensions G
7/8 in
Dimensions H
13/16 in
Dimensions P
1/2 in
Dimensions T
1/2 in
Specifications Body Material
316 SS
Specifications Brand Series
Duolok
Specifications Connection 1 Size
1/2 in
Specifications Connection 1 Type
Tube Fitting
Specifications Connection 2 Size
1/2 in
Specifications Connection 2 Type
Male BSPT
Specifications End Connections
TF x Male BSPT
Specifications Handle Color
0
Specifications Handle Type
0
Specifications List Price
42.35 USD
Specifications Production Category
1
Specifications Shape
Elbow
Category 6
Duolok® Tube Fittings